Suzuki GSX750FK4 (2006) CLUTCH Diagram
#
Description
Price
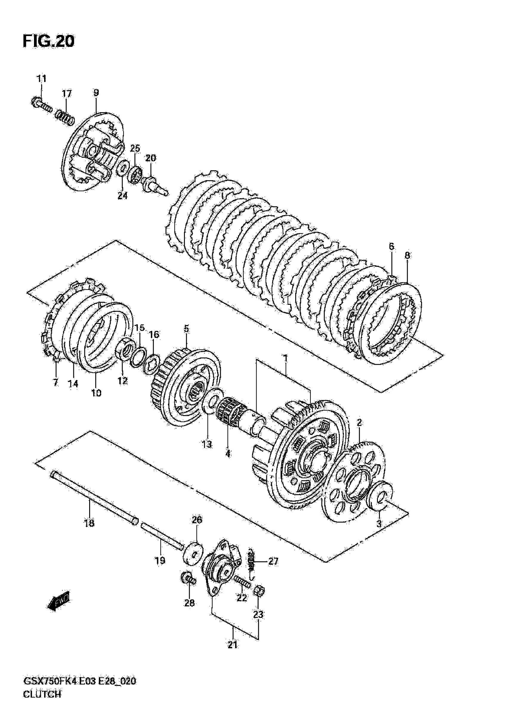
2
GEAR, GENERATOR (NT:34/64)
22721-17D02
Unavailable
20
PIECE, CLUTCH PUSH
23121-27A00
Unavailable
21
SCREW ASSY, CLUTCH RELEASE
23200-31300
Unavailable
