- Partiron
- OEM Parts
- Suzuki
- Motorcycle
- 2003
- GSX750F (2003)
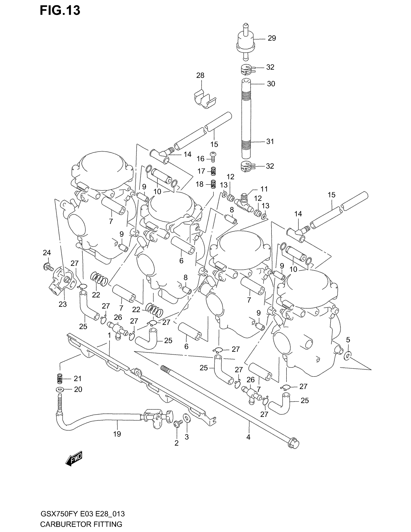
CARBURETOR FITTINGS
Suzuki GSX750F (2003) CARBURETOR FITTINGS Diagram
#
Description
Price
13
WASHER
13531-09300
Unavailable
19
ADJUST SCREW ASSY
13267-19E00
Unavailable
28
CLAMP, AIR VENT HOSE
09408-00100
Unavailable
