- Partiron
- OEM Parts
- Suzuki
- Motorcycle
- 1997
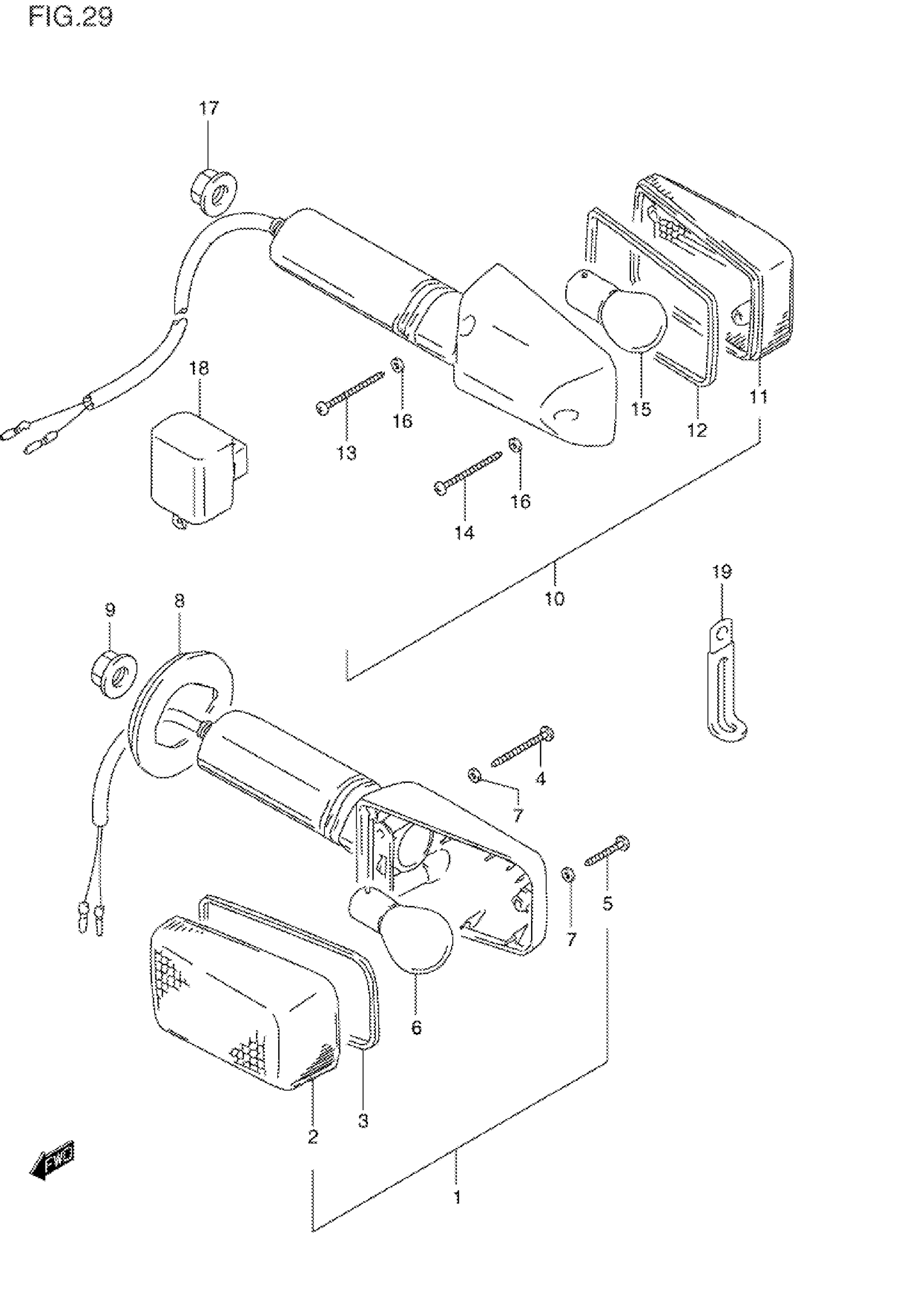
- GSX600FV (1997)
TURN SIGNAL LAMP
Suzuki GSX600FV (1997) TURN SIGNAL LAMP Diagram
#
Description
Price
1
LAMP ASSY, FRONT TURN SIGNAL | Includes Item(s) 2 - 7
35601-01D10
Unavailable
10
LAMP ASSY, REAR TURN SIGNAL | Includes Item(s) 11 - 16
35603-14D20
Unavailable
