- Partiron
- OEM Parts
- Suzuki
- Motorcycle
- 1996
- GSX600FT (1996)
OIL COOLER
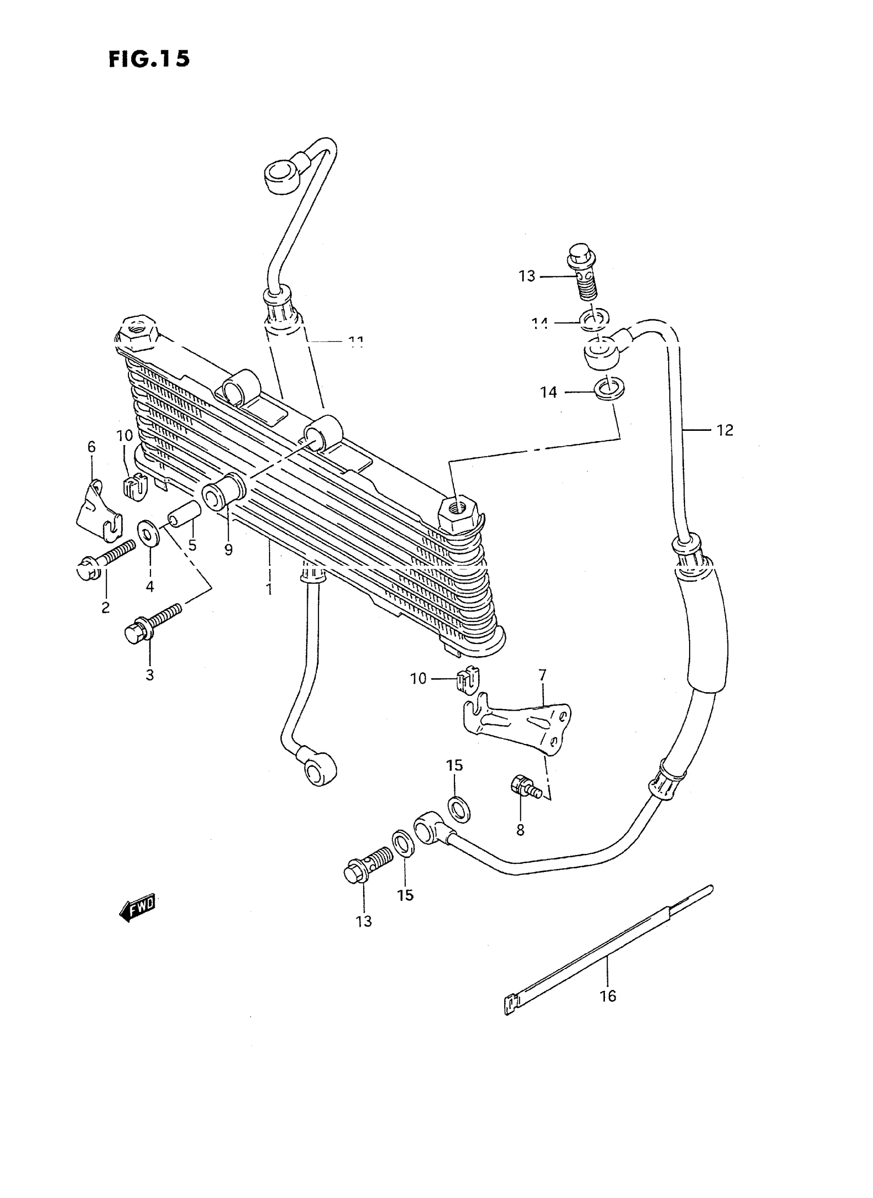
Suzuki GSX600FT (1996) OIL COOLER Diagram
#
Description
Price
1
COOLER ASSY, OIL | MODEL J/K/L/M/N/P/R/S This part replaces 16600-19C00.
16600-19C01
Unavailable
1
COOLER ASSY, OIL | MODEL T
16600-19C01
Unavailable
6
BRACKET, OIL COOLER,RH
16621-19C00
Unavailable
7
BRACKET, OIL COOLER,LH
16622-19C00
Unavailable
11
HOSE, OIL COOLER,RH | MODEL J/K/L/M/N/P This part replaces 16460-19C01.
16460-19C02
Unavailable
11
HOSE, OIL COOLER,RH | MODEL R/S/T
16460-19C02
Unavailable
12
HOSE, OIL COOLER,LH | MODEL J/K/L/M/N/P This part replaces 16470-19C01.
16470-19C02
Unavailable
12
HOSE, OIL COOLER,LH | MODEL R/S/T
16470-19C02
Unavailable
16
CLAMP(L:250) | MODEL J/K/L/M/N/P This part replaces 09407-25301.
09407-25302
Unavailable
