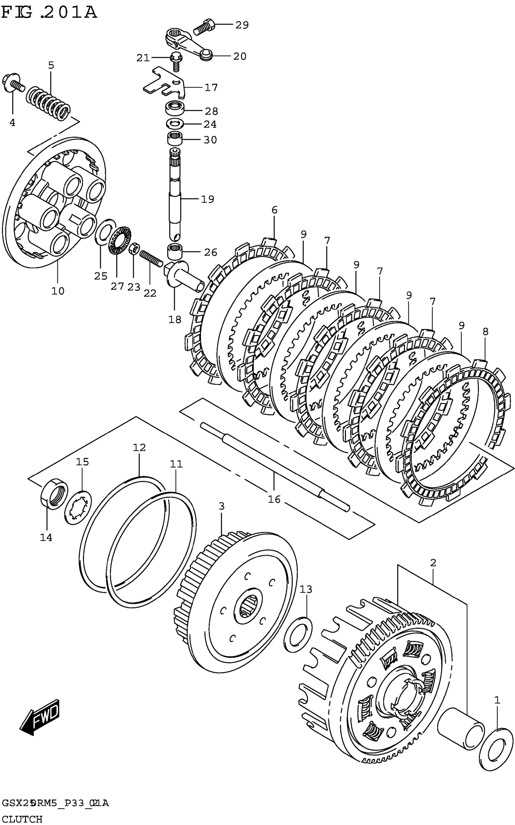
Suzuki GSX250RRLJM5 (2025) CLUTCH Diagram
#
Description
Price
18
PIECE,CLUTCH PUSH
23121-48H00
Unavailable
20
ARM,CLUTCH RELEASE
23271-48H00
Unavailable
22
SCREW (6X25)
09134-06018
Unavailable
#
18
23121-48H00
Unavailable
20
23271-48H00
Unavailable
22
09134-06018
Unavailable
Edit ride
