- Partiron
- OEM Parts
- Suzuki
- Motorcycle
- 2024
- GSX1300RRQM4 (2024)
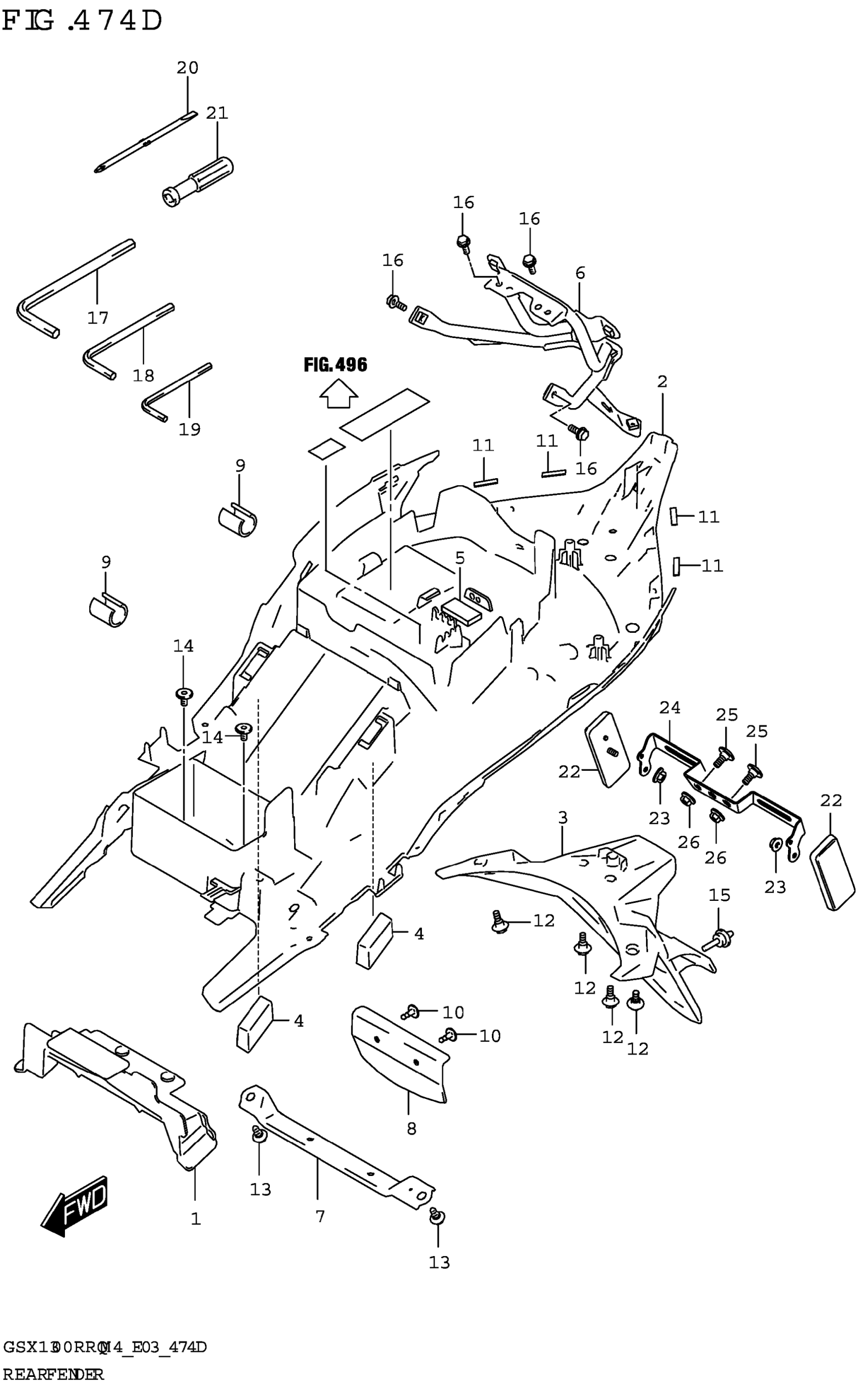
REAR FENDER (E33)
Suzuki GSX1300RRQM4 (2024) REAR FENDER (E33) Diagram
#
Description
Price
13
BOLT (6X16.5)
09111-06242
Unavailable
