- Partiron
- OEM Parts
- Suzuki
- Motorcycle
- 2012
- GSX1300RL2 (2012)
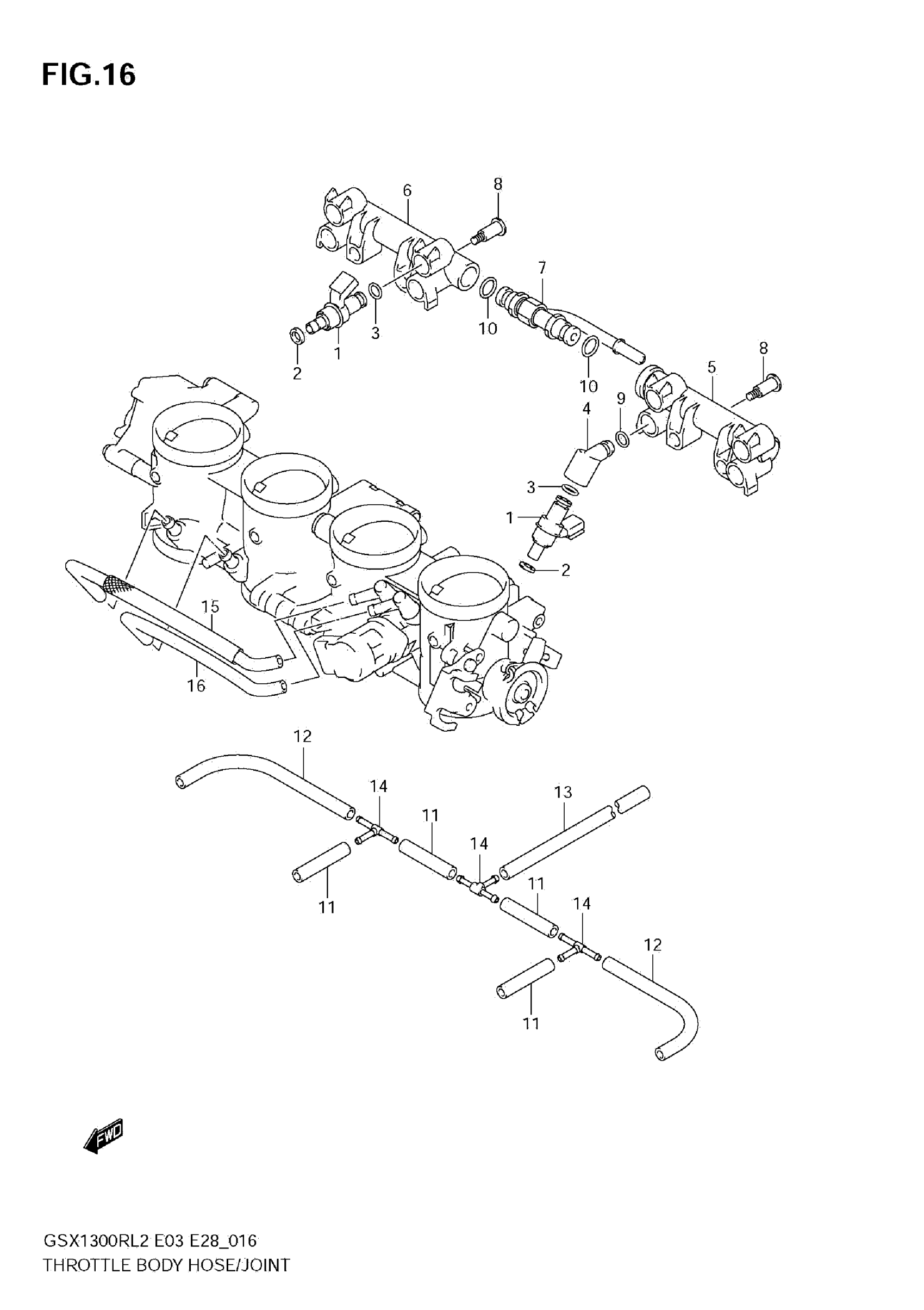
THROTTLE BODY HOSE/JOINT (GSX1300R L2 E03)
Suzuki GSX1300RL2 (2012) THROTTLE BODY HOSE/JOINT (GSX1300R L2 E03) Diagram
#
Description
Price
6
PIPE, FUEL
13474-21H10
Unavailable
7
JOINT
13473-15H00
Unavailable
13
HOSE, RUBBER (L:170)
13697-35F00
Unavailable
