- Partiron
- OEM Parts
- Suzuki
- Motorcycle
- 2012
- GSX1300RL2 (2012)
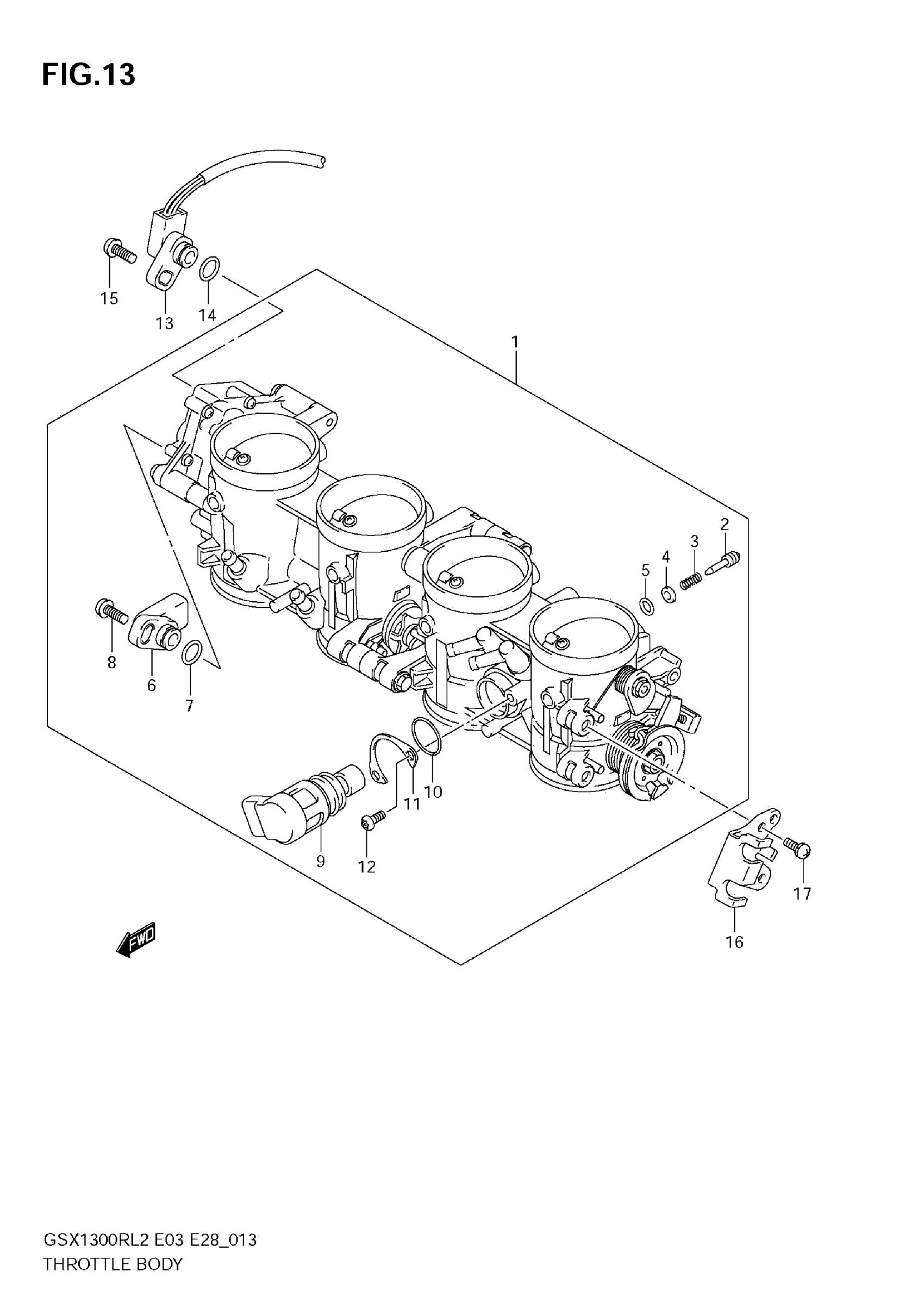
THROTTLE BODY (GSX1300R L2 E03)
Suzuki GSX1300RL2 (2012) THROTTLE BODY (GSX1300R L2 E03) Diagram
#
Description
Price
1
THROTTLE BODY
13406-15H00
Unavailable
3
SPRING, AIR SCREW
13271-43E00
Unavailable
11
PLATE, ISC VALVE
13428-15H00
Unavailable
16
PLATE, STAY
13565-15H00
Unavailable
17
SCREW
13601-21H00
Unavailable
