- Partiron
- OEM Parts
- Suzuki
- Motorcycle
- 2012
- GSX1300RL2 (2012)
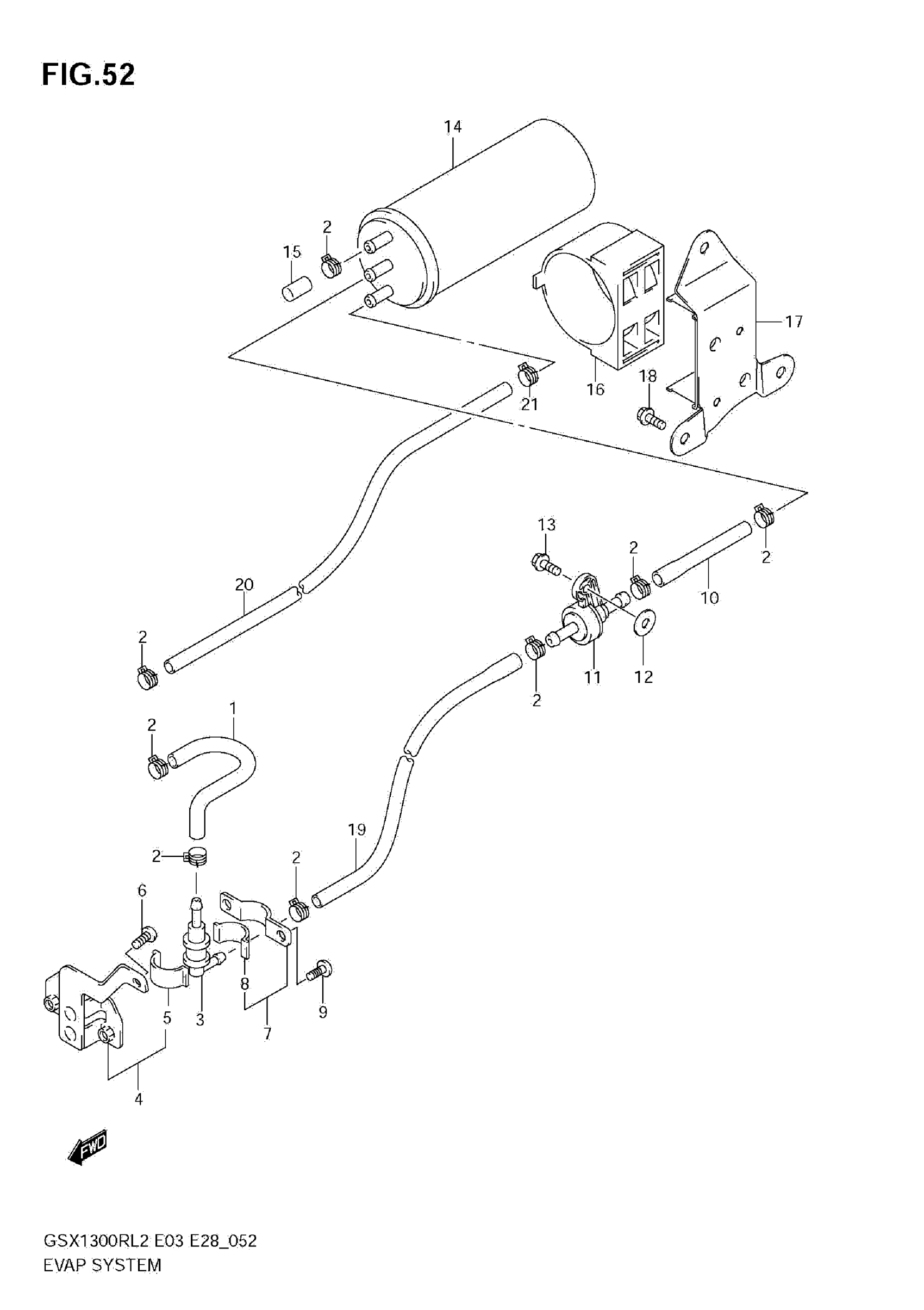
EVAP SYSTEM (GSX1300R L2 E33)
Suzuki GSX1300RL2 (2012) EVAP SYSTEM (GSX1300R L2 E33) Diagram
#
Description
Price
1
HOSE, TANK & VALVE
44434-15H00
Unavailable
4
PLATE, BREATHER VALVE
44890-24F00
Unavailable
10
HOSE, BREATHER VALVE & 2 WAY
44435-15H10
Unavailable
15
CAP
09251-07005
Unavailable
17
BRACKET, CANISTER
44880-15H00
Unavailable
19
HOSE, CANISTER & 2 WAY VALVE
44437-15H10
Unavailable
20
HOSE
09359-54113-700
Unavailable
