- Partiron
- OEM Parts
- Suzuki
- Motorcycle
- 2017
- GSX1300RAL7 (2017)
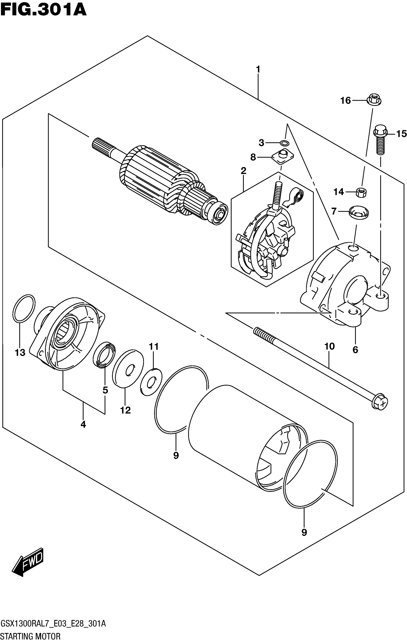
STARTING MOTOR
Suzuki GSX1300RAL7 (2017) STARTING MOTOR Diagram
#
Description
Price
4
.HOUSING ASSY, STARTER
31150-15H20
Unavailable
6
.FRAME, STARTER END
31171-24F00
Unavailable
8
.BUSHING
31173-88C00
Unavailable
10
.BOLT
31281-24F00
Unavailable
11
.SHIM
31361-38300
Unavailable
12
.SHIM SET This part replaces 31361-43400.
31170-43400
Unavailable
