- Partiron
- OEM Parts
- Suzuki
- Motorcycle
- 2014
- GSX1300RAL4 (2014)
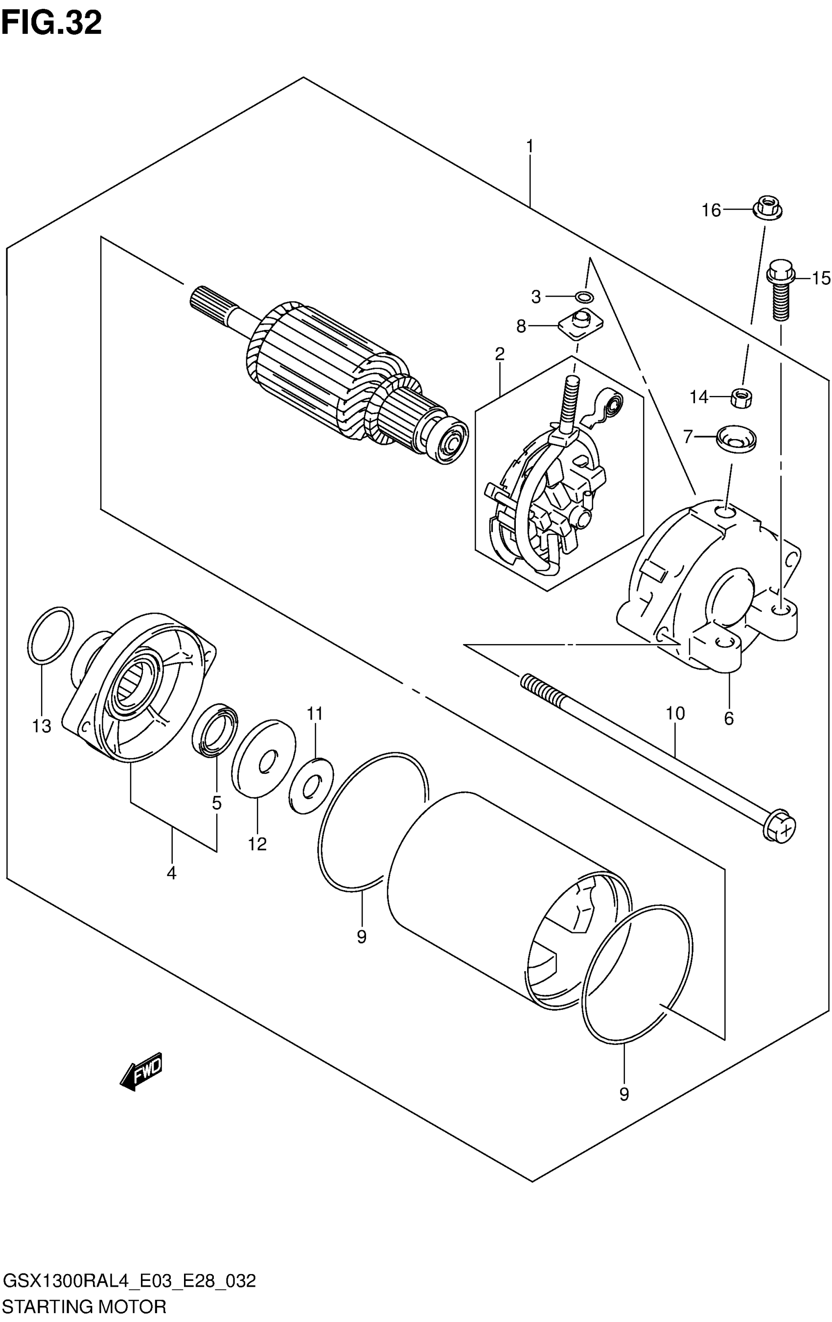
STARTING MOTOR
Suzuki GSX1300RAL4 (2014) STARTING MOTOR Diagram
#
Description
Price
4
HOUSING ASSY, STARTER
31150-15H20
Unavailable
6
FRAME, STARTER END
31171-24F00
Unavailable
8
BUSHING
31173-88C00
Unavailable
10
BOLT
31281-24F00
Unavailable
11
SHIM
31361-38300
Unavailable
12
.SHIM SET This part replaces 31361-43400.
31170-43400
Unavailable
