Partiron

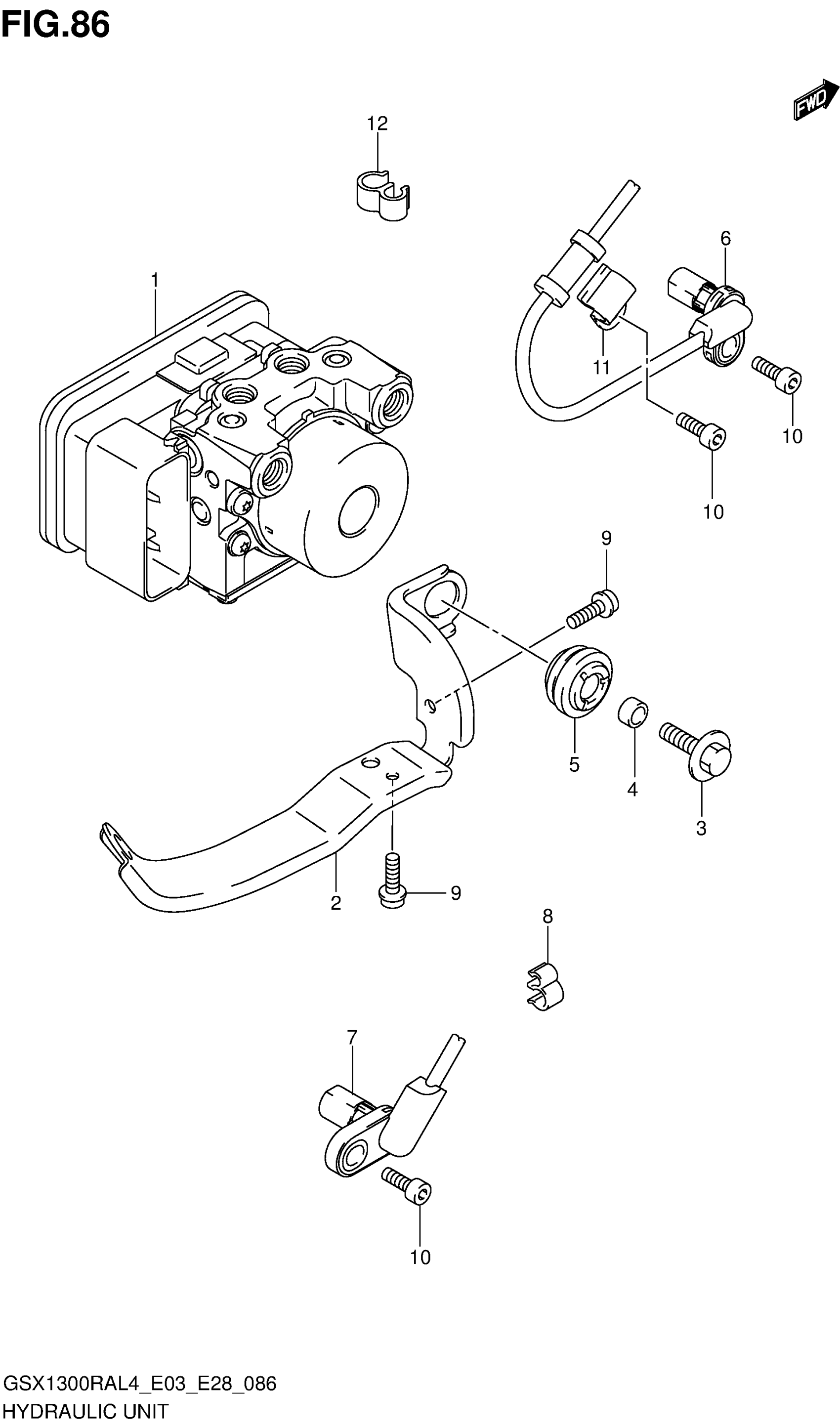
Suzuki GSX1300RAL4 (2014) HYDRAULIC UNIT Diagram

#

Description
Price

1

UNIT ASSY, HYDRAULIC ABS

55610-15H01

$3,050.47

2

HOLDER, HYDRAULIC UNIT

55660-15H00

Unavailable

3

BOLT, HYDRAULIC UNIT MTG

55661-10G00

Unavailable

4

SPACER, HYDRAULIC UNIT

55662-10G00

Unavailable

5

RUBBER

09320-10066

$4.82

6

SENSOR, FRONT WHEEL ABS

55710-15H10

$131.60

7

SENSOR, REAR WHEEL ABS

65710-15H10

$129.37

8

CLAMP

09408-00266

$2.51

9

BOLT

07120-0612A

$2.50

10

.BOLT

07130-0612B

$3.05

11

CLAMP, SENSOR FRONT

55731-23H00

Unavailable

12

CLAMP

09407-14407

$3.57