- Partiron
- OEM Parts
- Suzuki
- Motorcycle
- 2009
- GSX1300R (2009)
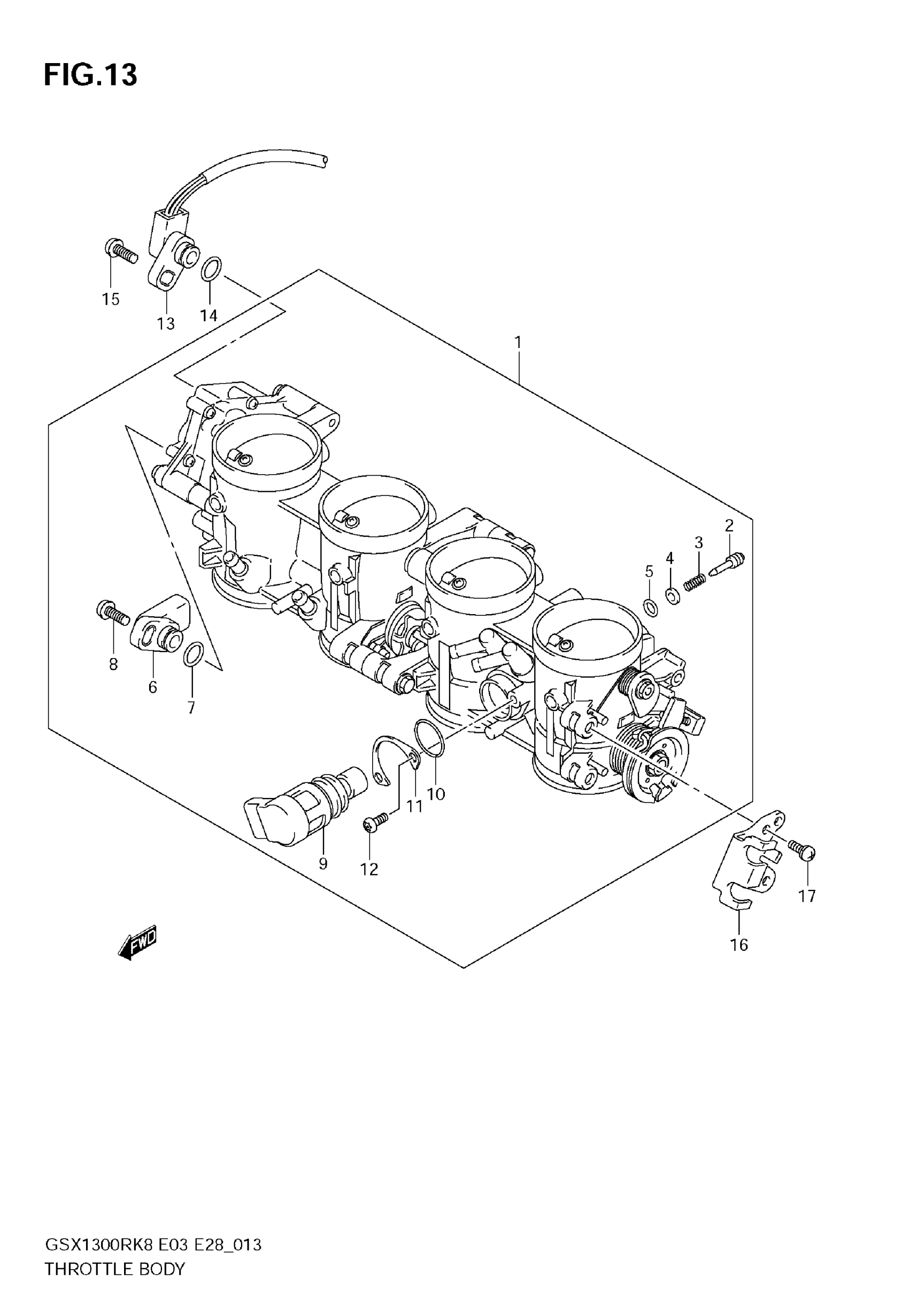
THROTTLE BODY
Suzuki GSX1300R (2009) THROTTLE BODY Diagram
#
Description
Price
1
THROTTLE BODY | E3,E28
13406-15H00
Unavailable
1
THROTTLE BODY | E33; Includes Item(s) 2 - 12
13406-15H10
Unavailable
3
SPRING, AIR SCREW
13271-43E00
Unavailable
11
PLATE, STAY
13428-15H00
Unavailable
16
PLATE, STAY
13565-15H00
Unavailable
17
SCREW
13601-21H00
Unavailable
