- Partiron
- OEM Parts
- Suzuki
- Motorcycle
- 2011
- GSX1250FAL1 (2011)
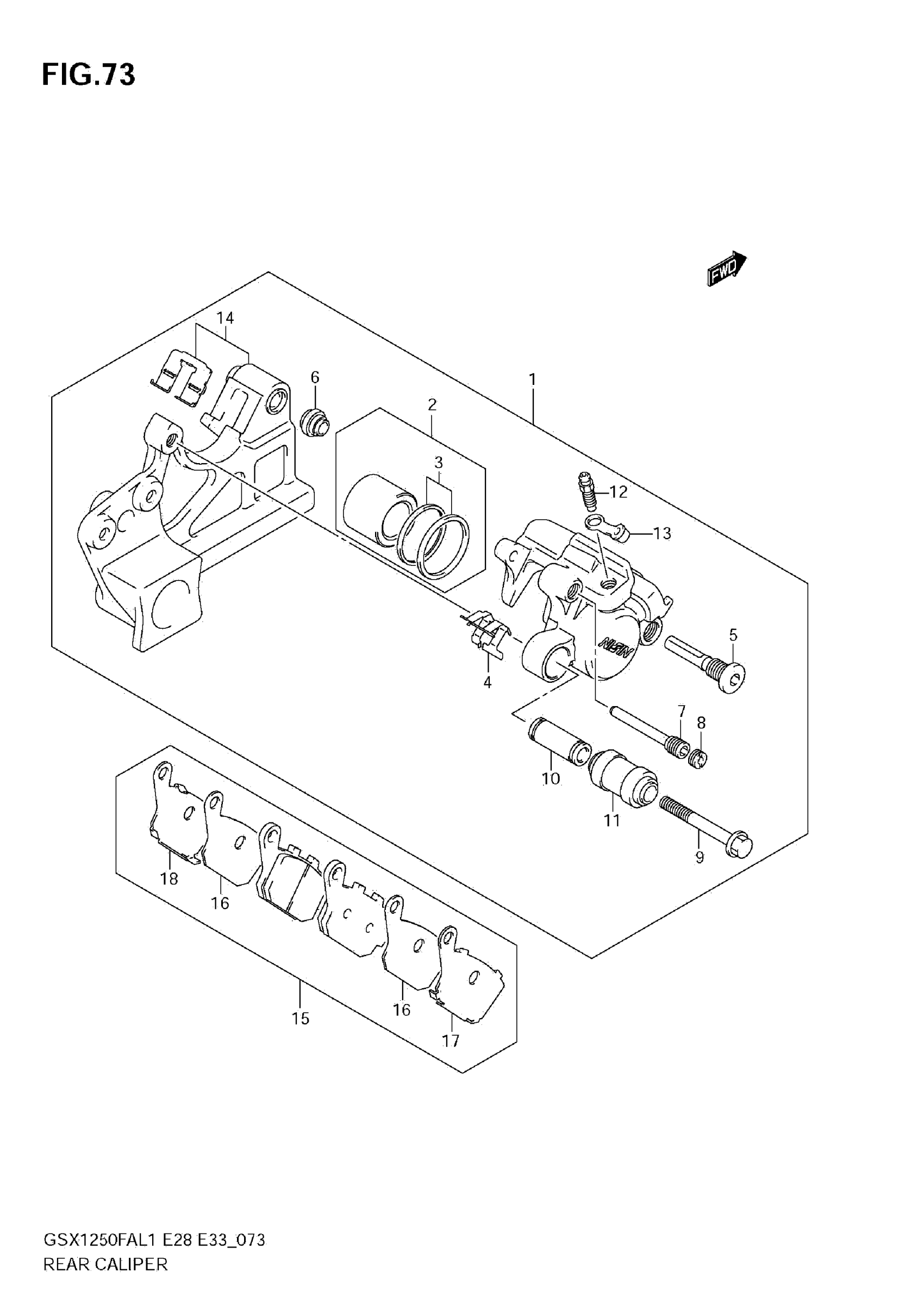
REAR CALIPER
Suzuki GSX1250FAL1 (2011) REAR CALIPER Diagram
#
Description
Price
14
BRACKET
69150-38G50
Unavailable
REAR CALIPER
#
14
69150-38G50
Unavailable
Edit ride
