- Partiron
- OEM Parts
- Suzuki
- Motorcycle
- 2011
- GSX1250FAL1 (2011)
FRONT DAMPER
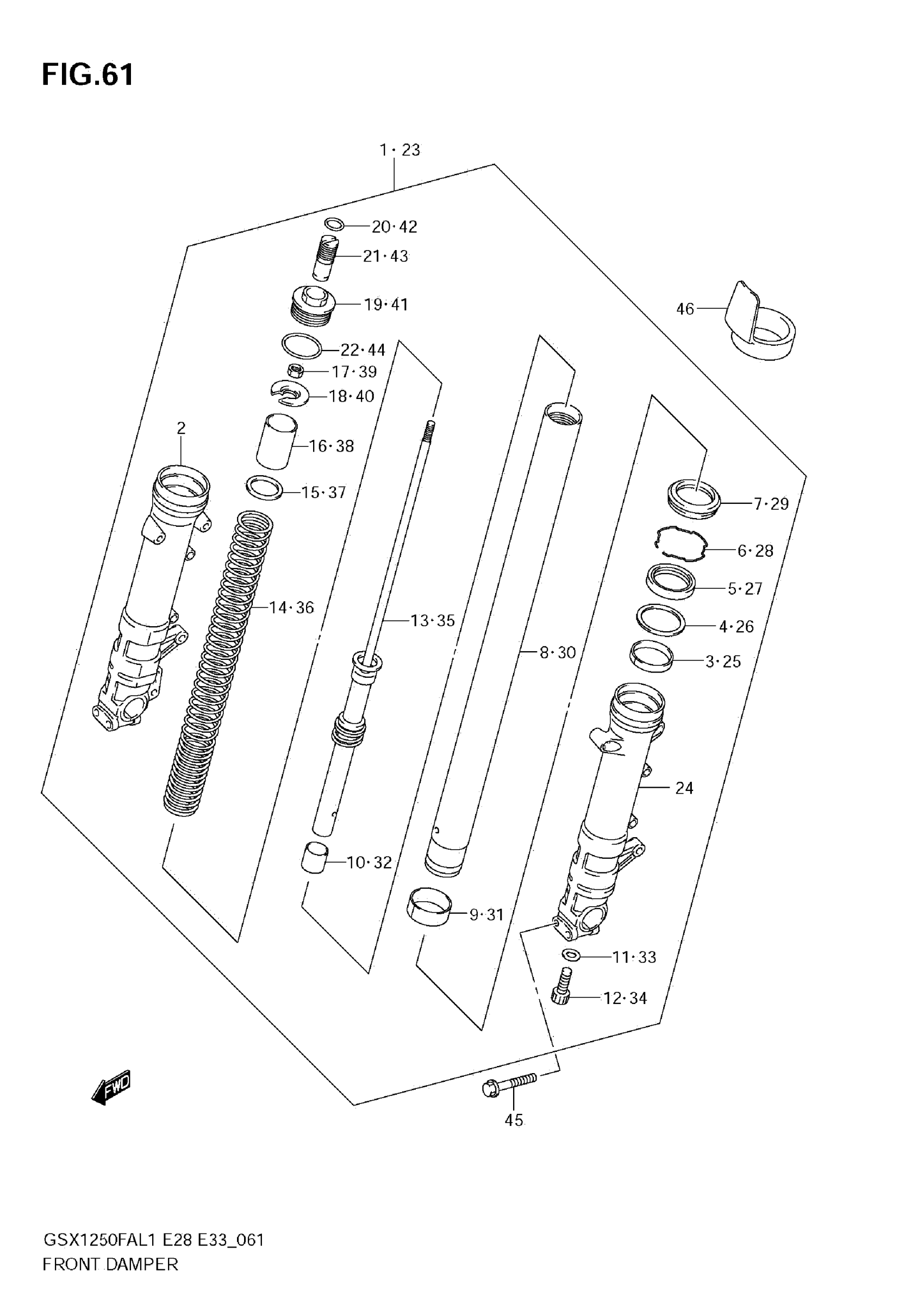
Suzuki GSX1250FAL1 (2011) FRONT DAMPER Diagram
#
Description
Price
13
ROD, DAMPER
52110-07J20
Unavailable
14
SPRING, FRONT
51171-07J20
Unavailable
17
.NUT
51827-27E00
Unavailable
19
BOLT, FORK
51189-14D00
Unavailable
21
ADJUSTER, SPRING
51185-31E00
Unavailable
24
TUBE, OUTER LH
51141-07J00
Unavailable
35
ROD, DAMPER
52110-07J20
Unavailable
36
SPRING, FRONT
51171-07J20
Unavailable
39
.NUT
51827-27E00
Unavailable
41
BOLT, FORK
51189-14D00
Unavailable
43
ADJUSTER, SPRING
51185-31E00
Unavailable
