- Partiron
- OEM Parts
- Suzuki
- Motorcycle
- 1993
- GSX1100G (1993)
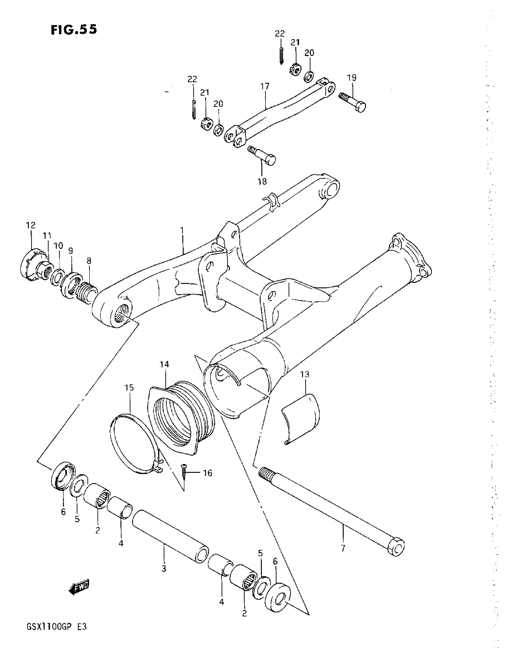
REAR SWINGING ARM
Suzuki GSX1100G (1993) REAR SWINGING ARM Diagram
#
Description
Price
1
NO DESCRIPTION AVAILABLE This part replaces 61100-26D00-019.
61100-26D01-019
Unavailable
3
SPACER, PIVOT CENTER
09180-20111
Unavailable
6
COVER,RR SWGARM This part replaces 61262-10D00.
61262-10D01
Unavailable
7
SHAFT, PIVOT
61211-26D00
Unavailable
8
BOLT, PIVOT
61213-22D00
Unavailable
13
COVER, PIVOT LH (BLACK)
61230-26D01-019
Unavailable
17
TORQUELINK, REAR
64310-26D00
Unavailable
18
BOLT, FRONT
09111-10016
Unavailable
