- Partiron
- OEM Parts
- Suzuki
- Motorcycle
- 1993
- GSX1100FP (1993)
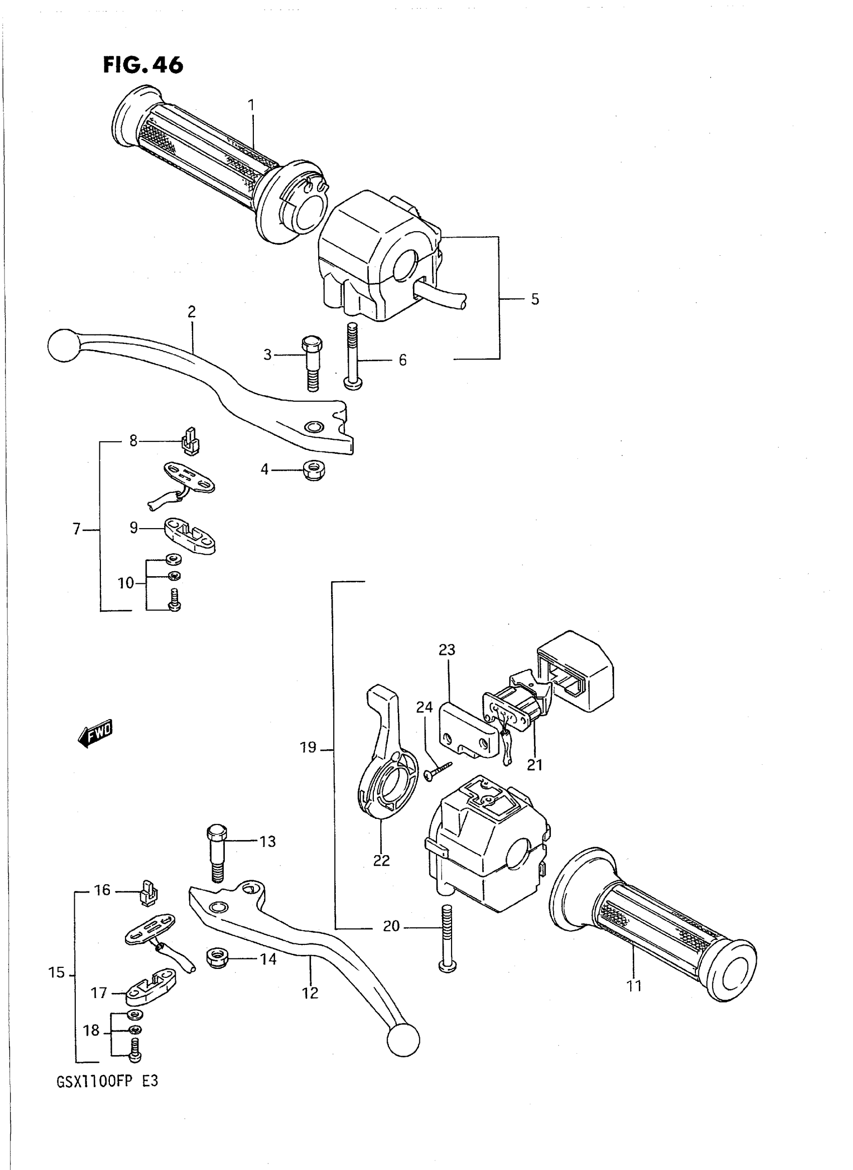
HANDLE SWITCH (MODEL J)
Suzuki GSX1100FP (1993) HANDLE SWITCH (MODEL J) Diagram
#
Description
Price
2
LEVER, BRAKE This part replaces 57420-05A10.
57420-38B00
Unavailable
5
NO DESCRIPTION AVAILABLE | Includes Item(s) 6 This part replaces 37200-48B30.
37200-48B51
Unavailable
12
LEVER, CLUTCH
57621-48B00
Unavailable
15
SWITCH ASSY, CLUTCH | Includes Item(s) 16 - 18 This part replaces 57560-08A00.
57560-18D10
Unavailable
19
NO DESCRIPTION AVAILABLE | Includes Item(s) 20 - 24 This part replaces 37400-48B30.
37400-48B31
Unavailable
21
SWITCH, SCREEN
37920-48B10
Unavailable
22
LEVER, CHOKE
37571-48B10
Unavailable
23
COVER, SCREEN
37575-48B10
Unavailable
24
SCREW | /N/P
37391-48B10
Unavailable
