Partiron

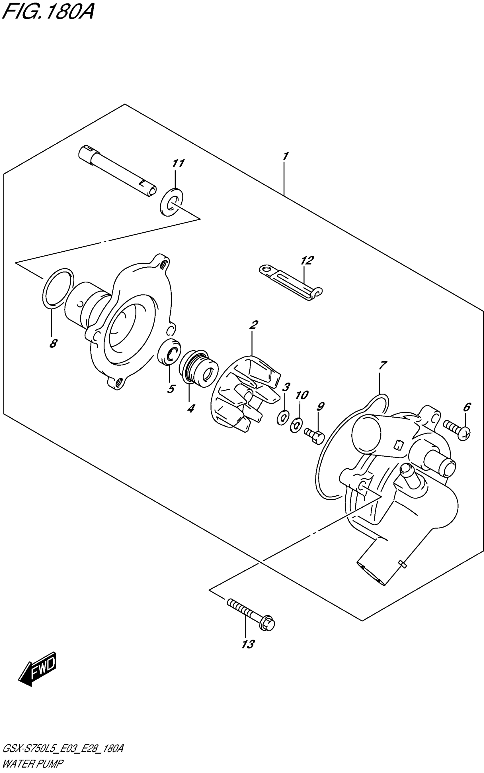
Suzuki GSX-S750L5 (2015) WATER PUMP Diagram

#

Description
Price

1

PUMP ASSY,WATER This part replaces 17400-35F30.

17400-35F31

$215.83

2

IMPELLER

17491-17E01

$26.78

3

GASKET (6X15X2.2)

09168-06025

$2.92

4

.SEAL,MECHANICAL This part replaces 17470-02F10.

17470-02F11

$29.22

5

.SEAL,OIL (10X21X5)

17461-48G00

$13.23

6

SCREW

02112-0616A

$1.49

7

.O-RING This part replaces 17418-33400.

17418-33401

$4.48

8

.O-RING

17435-33400

$15.29

9

BOLT (6X13)

09100-06099

$2.00

10

WASHER

09164-06006

$2.61

11

WASHER

17432-07G00

$2.60

12

CLAMP (L:45)

09404-06429

$1.83

13

BOLT

01550-0635A

$2.32