- Partiron
- OEM Parts
- Suzuki
- Motorcycle
- 2022
- GSX-S1000TRQM2 (2022)
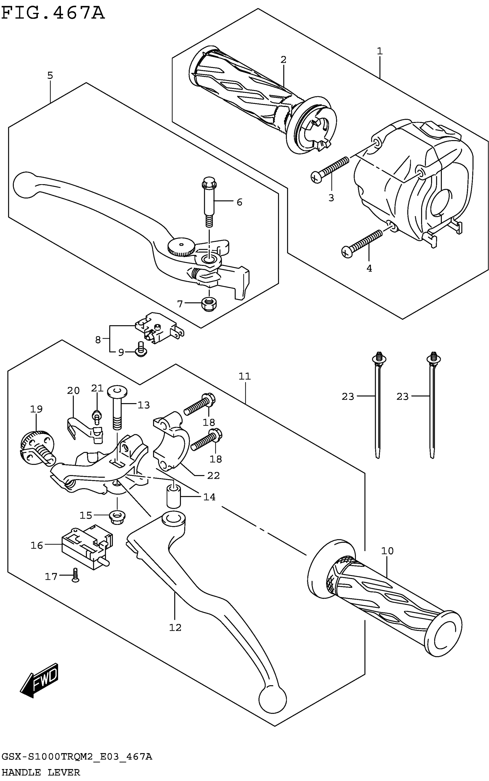
HANDLE LEVER
Suzuki GSX-S1000TRQM2 (2022) HANDLE LEVER Diagram
#
Description
Price
20
.SPRING,ADJUST
57644-33E10
Unavailable
21
.SCREW,ADJUST
57642-33E10
Unavailable
