Partiron

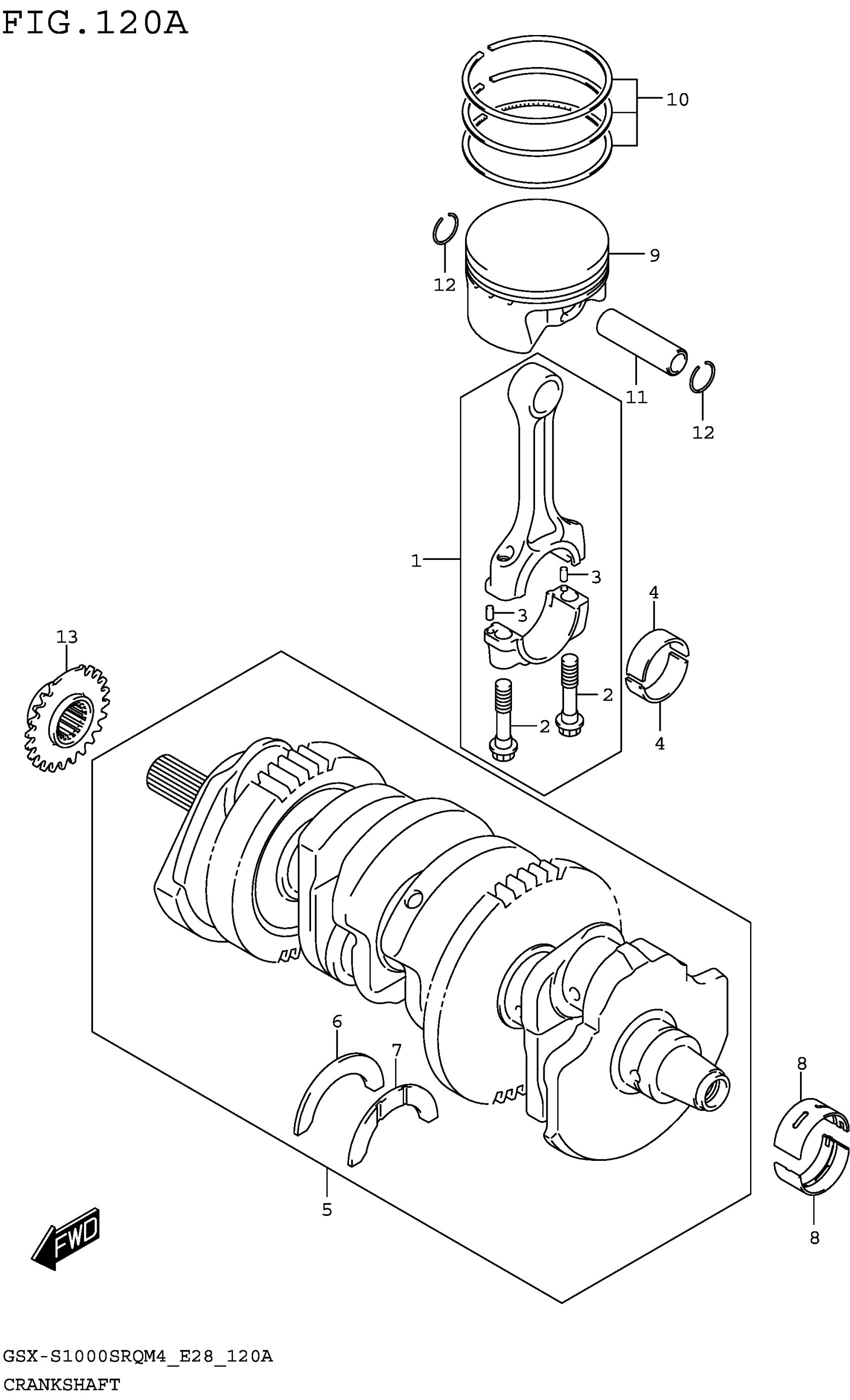
Suzuki GSX-S1000SRQM4 (2024) CRANKSHAFT Diagram

#

Description
Price

1

CONNROD ASSY

12160-04K10

$170.25

2

.BOLT,CONNECTING ROD

12163-24F10

$16.45

3

PIN (4X13.8)

04221-04089

$1.49

4-1

BEARING, CRANK PIN | GREEN

12164-47H10-0A0

$12.00

4-2

BEARING, CRANK PIN | BLACK

12164-47H10-0B0

$12.00

4-3

BEARING, CRANK PIN | BROWN

12164-47H10-0C0

$12.00

4-4

BEARING, CRANK PIN | YELLOW

12164-47H10-0D0

$12.44

5

CRANKSHAFT SET

12000-48851

$1,427.25

6

.BEARING,CRANK THRUST

12228-48B00-0E0

$9.34

7-1

.BEARING,CRANK THRUST

12228-48B00-0B0

$11.57

7-2

.BEARING,CRANK THRUST

12228-48B00-0C0

$11.35

7-3

.BEARING,CRANK THRUST | (YELLOW)

12228-48B00-0D0

$11.78

7-4

.BEARING,CRANK THRUST

12228-48B00-0E0

$9.34

7-5

.BEARING,CRANK THRUST

12228-48B00-0F0

$11.78

7-6

.BEARING,CRANK THRUST | (ORANGE)

12228-48B00-0G0

$11.78

7-7

.BEARING,CRANK THRUST

12228-48B00-0H0

$9.66

8-1

BEARING, CRANKSHAFT

12229-04K00-0A0

$18.18

8-2

BEARING, CRANKSHAFT

12229-04K00-0B0

$15.47

8-3

BEARING, CRANKSHAFT

12229-04K00-0C0

$18.18

8-4

BEARING, CRANKSHAFT

12229-04K00-0D0

$18.18

8-5

BEARING, CRANKSHAFT

12229-04K00-0E0

$18.18

9

PISTON

12111-04K00-0F0

$191.97

10

RING SET, PISTON

12140-04K00

$81.29

11

PIN, PISTON

12151-04K00

$14.92

12

CIRCLIP (OD:18)

09381-16001

$1.67

13

SPROCKET, CAM CHAIN DRIVE | (NT:17)

12731-29G00

$130.35