Partiron

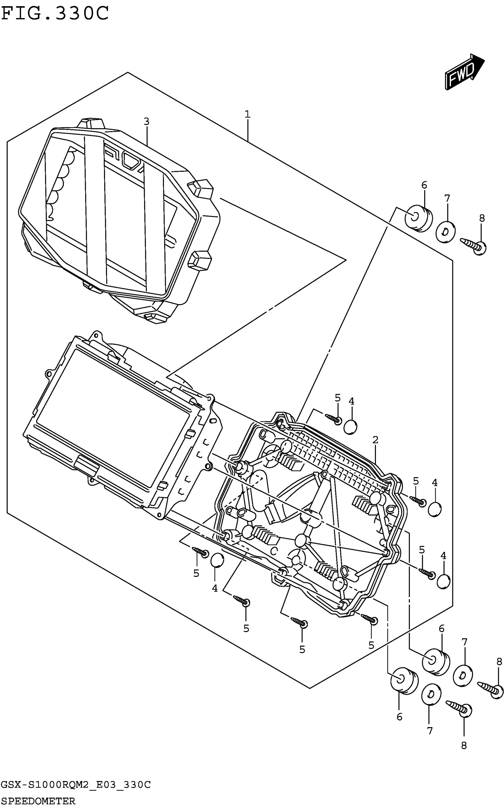
Suzuki GSX-S1000RQM2 (2022) SPEEDOMETER (GSX-S1000RQM2_E33) Diagram

#

Description
Price

1

SPEEDOMETER ASSY

34100-48K10

$1,025.73

2

.CASE ASSY,LOWER

34111-48K00

$39.80

3

.CASE ASSY,UPPER

34150-48K00

$96.38

4

.CAP

34177-48K00

$2.83

5

SCREW

34183-10C00

$2.11

6

CUSHION,SPEEDOMETER

34189-08J01

$3.59

7

WASHER (4.5X16X1.2)

09160-04026

$2.05

8

SCREW

03541-0416B

$1.49