- Partiron
- OEM Parts
- Sea-doo
- Watercraft
- 2000
- GSX RFI
- GSX RFI, 5645/5654, 2000
Oil Injection System
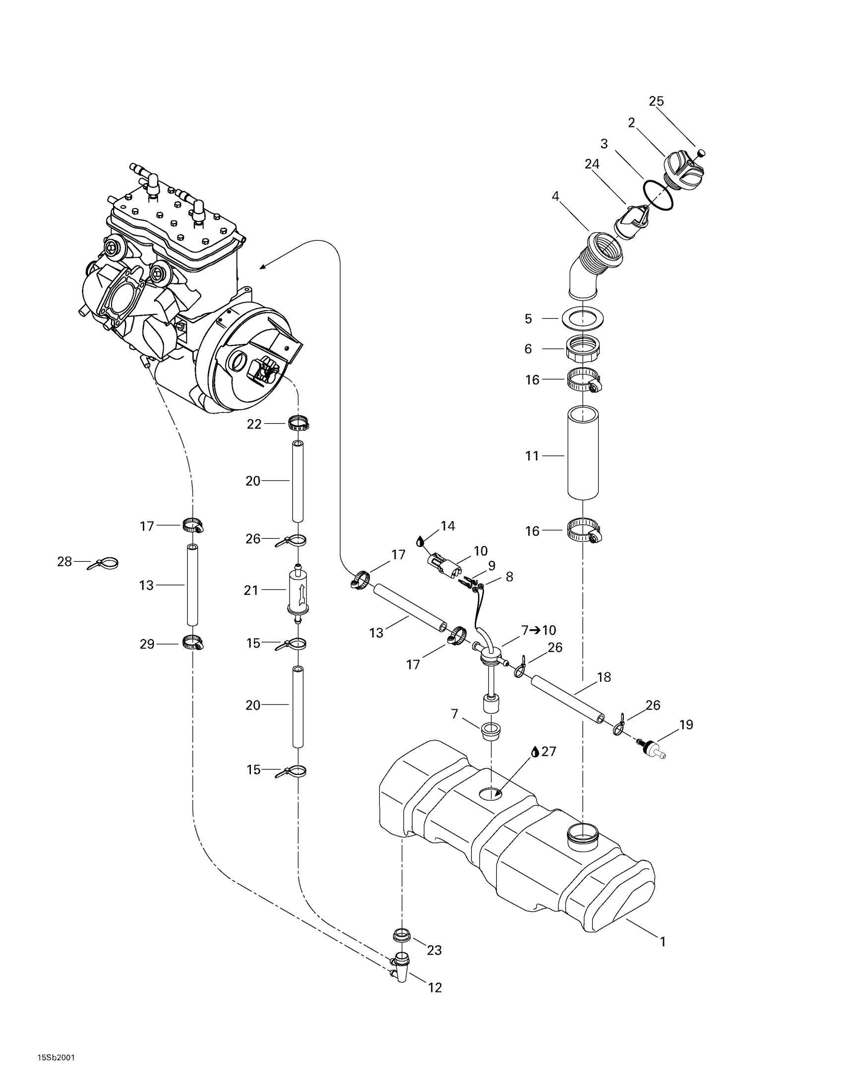
Sea-doo GSX RFI, 5645/5654, 2000 Oil Injection System Diagram
#
Description
Price
2
OIL CAP - Call your local BRP dealership | Includes 17 to 18
275000221
Unavailable
3
GASKET - Call your local BRP dealership This part replaces 293250075.
293250211
Unavailable
4
Filler Neck
275000187
Unavailable
7
OIL LEVER SENSOR ASS'Y - Call your local BRP dealership
278001401
Unavailable
11
Filler Hose
275000188
Unavailable
12
FITTING ELBOW 90 - Call your local BRP dealership
293710051
Unavailable
18
HOSE-6MM. 5000MM LONG - Call your local BRP dealership
219704396
Unavailable
21
OIL FILTER - Call your local BRP dealership
275000051
Unavailable
24
Restrictor
275000190
Unavailable
25
Snap Cap, Black
293000076
Unavailable
OIL 2T CARB PREM. MINERAL 55 GAL/205L This part replaces 413803200.
779123
Unavailable
SYNTHETIC INJECTION OIL, 12 X 1 LITER - Call your local BRP dealership
413710500
Unavailable
OIL 2T 3X1G SYNTH - Call your local BRP dealership This part replaces 293600046.
293600133
Unavailable
OIL 2T E-TEC SYNTHETIC 55 GAL/205L This part replaces 293600047.
779130
Unavailable
