- Partiron
- OEM Parts
- Suzuki
- Motorcycle
- 1995
- GSX-R750WS (1995)
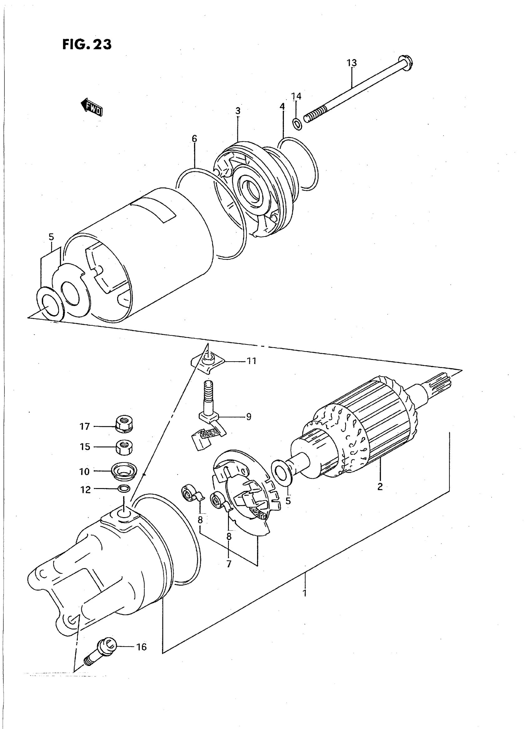
STARTING MOTOR (MODEL P)
Suzuki GSX-R750WS (1995) STARTING MOTOR (MODEL P) Diagram
#
Description
Price
1
MOTOR, STARTING | Includes Item(s) 2 - 14 This part replaces 31100-17E00.
31100-46E00
Unavailable
2
ARMATURE
31310-17E00
Unavailable
3
HOUSING
31150-17E00
Unavailable
5
SHIM SET
31170-43400
Unavailable
7
BRUSH HOLDER ASSY
31132-17E00
Unavailable
13
BOLT
31281-88C00
Unavailable
18
REFER TO FIG.23A (D-8) FOR
SPECIAL NOTE
Unavailable
