- Partiron
- OEM Parts
- Suzuki
- Motorcycle
- 1995
- GSX-R750WS (1995)
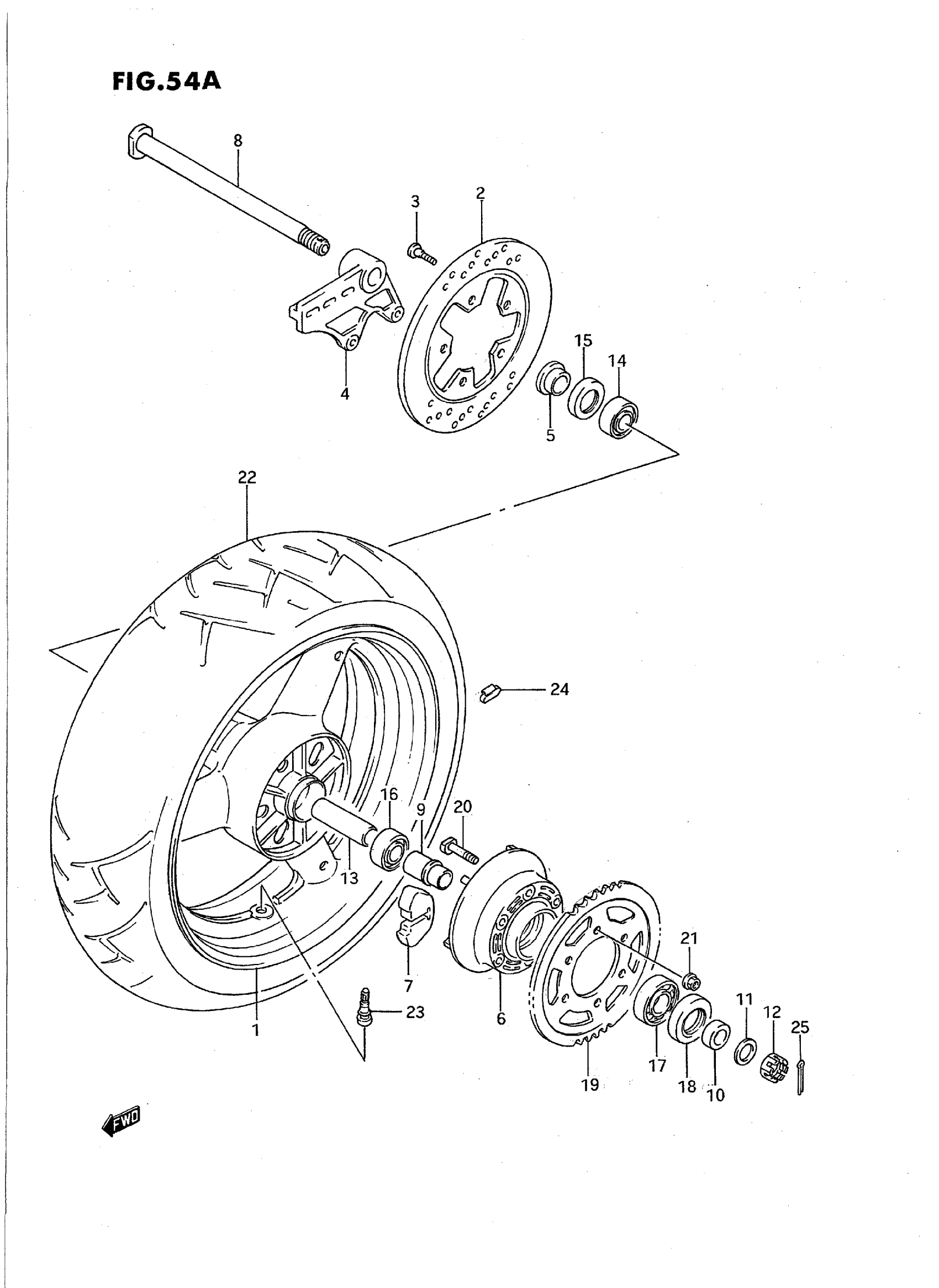
REAR WHEEL (MODEL R/S)
Suzuki GSX-R750WS (1995) REAR WHEEL (MODEL R/S) Diagram
#
Description
Price
1
WHEEL,REAR,MT5. | MODEL R FOR M18 This part replaces 64111-17E10-1MJ.
64111-17E11-1MJ
Unavailable
1
NO DESCRIPTION AVAILABLE | FOR 1UJ This part replaces 64111-17E10-1LS.
64111-17E11-1LS
Unavailable
1
WHEEL, REAR (17XMT5.50) | MODEL S FOR M18 This part replaces 64111-17E10-1ZV.
64111-17E11-1ZV
Unavailable
1
WHEEL,REAR,MT4. | FOR D4A This part replaces 64111-17E10-Y22.
64111-17E11-Y22
Unavailable
4
BRACKET, REAR CALIPERS | MODEL R This part replaces 69721-17E00.
69721-17E10
Unavailable
4
BRACKET, REAR CALIPERS | MODEL S
69721-17E10
Unavailable
6
DRUM, SPROCKET
64611-17E00
Unavailable
8
AXLE, REAR
64711-17E30
Unavailable
19
SPROCKET, REAR (NT:42)
64511-17D01
Unavailable
22
TIRE, REAR (180/55 ZR17 D204)
65110-17E50
Unavailable
24
BALANCER (30G)
55413-00A01
Unavailable
