- Partiron
- OEM Parts
- Suzuki
- Motorcycle
- 1995
- GSX-R750WS (1995)
REAR SWINGING ARM (MODEL R/S)
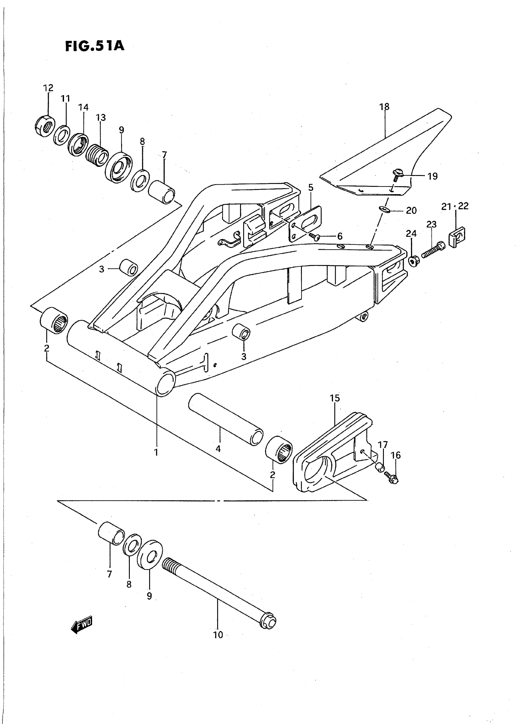
Suzuki GSX-R750WS (1995) REAR SWINGING ARM (MODEL R/S) Diagram
#
Description
Price
1
SWINGING ARM ASSY, REAR | Includes Item(s) 2 - 4
61000-17E11
Unavailable
4
NO DESCRIPTION AVAILABLE This part replaces 09180-25099.
09180-25099-XC0
Unavailable
10
SHAFT, PIVOT
61211-17E10
Unavailable
13
NO DESCRIPTION AVAILABLE This part replaces 61213-17E10.
61213-17E1V
Unavailable
14
NUT, PIVOT
61214-17E10
Unavailable
15
BUFFER, CHAIN TOUCH DEFENSE
61273-17E11
Unavailable
18
CASE, CHAIN
61311-17E10
Unavailable
