- Partiron
- OEM Parts
- Suzuki
- Motorcycle
- 1995
- GSX-R750W (1995)
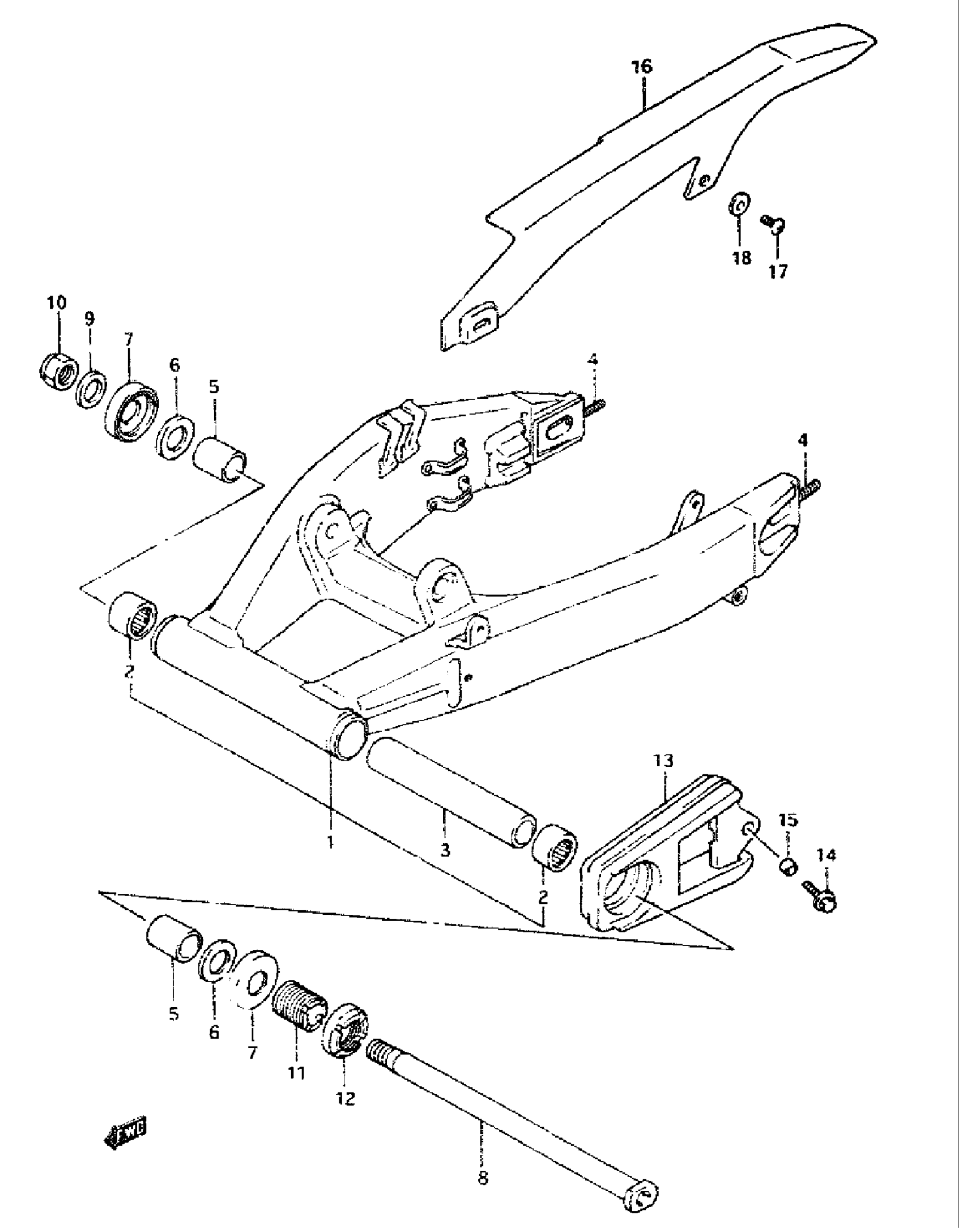
REAR SWINGING ARM (MODEL P)
Suzuki GSX-R750W (1995) REAR SWINGING ARM (MODEL P) Diagram
#
Description
Price
1
SWINGING ARM ASSY, REAR
61000-17E00
Unavailable
8
SHAFT, PIVOT
61211-17E01
Unavailable
11
BOLT. PIVOT
61213-40C30
Unavailable
13
BUFFER,CHAIN TO This part replaces 61273-17E01.
61273-17E03
Unavailable
16
CASE, CHAIN
61310-17E00
Unavailable
