- Partiron
- OEM Parts
- Suzuki
- Motorcycle
- 1995
- GSX-R750W (1995)
REAR CUSHION LEVER (MODEL R/S)
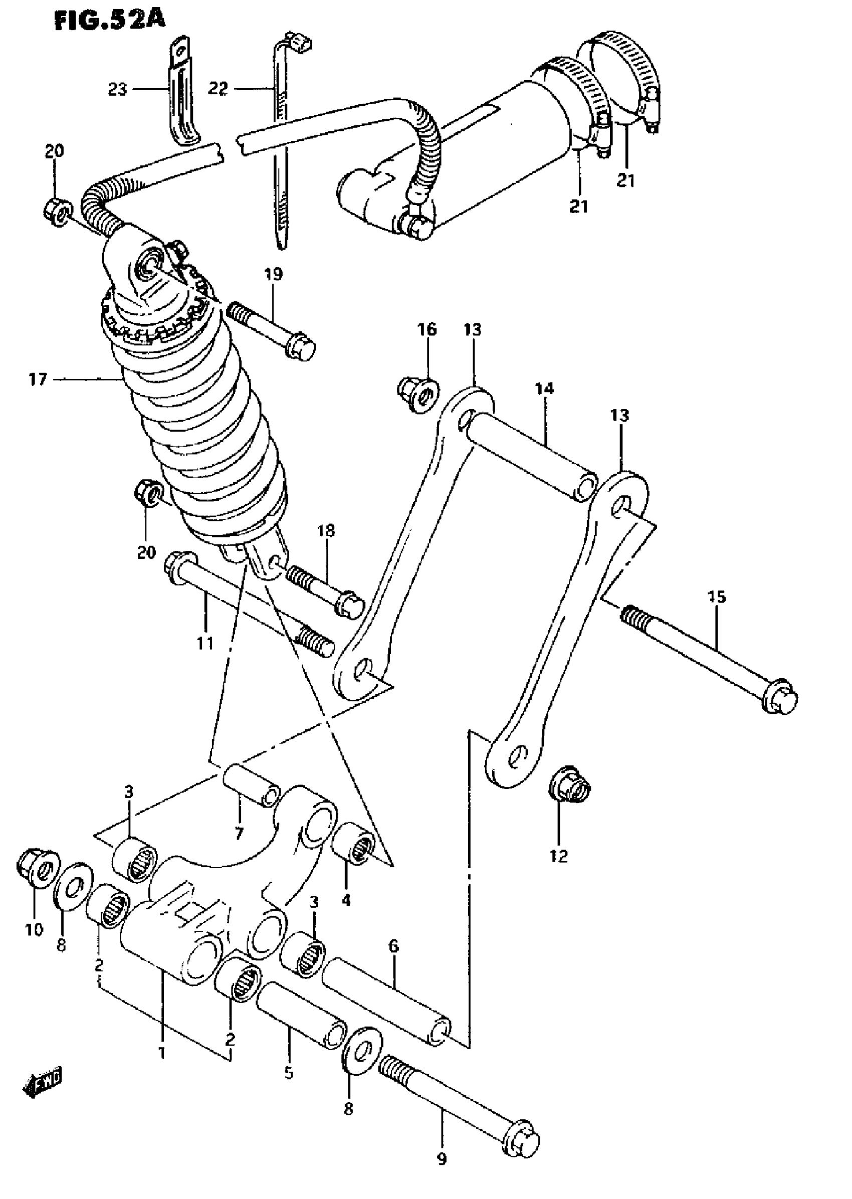
Suzuki GSX-R750W (1995) REAR CUSHION LEVER (MODEL R/S) Diagram
#
Description
Price
1
LEVER SET, REAR CUSHION | MODEL R This part replaces 62600-17810.
62600-17811
Unavailable
1
LEVER SET. REAR CUSHION | MODEL 5
62600-17811
Unavailable
5
SPACER, FRONT
62317-17C00
Unavailable
13
ROD, REAR CUSHION LEVER | MODEL R ->62640-17E10 W/09103-12041 This part replaces 62641-17E10.
62640-17E10
Unavailable
13
ROD, REAR CUSHION LEVER | MODEL S
62640-17E10
Unavailable
17
NO DESCRIPTION AVAILABLE | MODEL R This part replaces 62100-18E10.
62100-17E31
Unavailable
17
NO DESCRIPTION AVAILABLE | MODEL S This part replaces 62100-17E30.
62100-17E31
Unavailable
19
BOLT, UPPER
09103-10032
Unavailable
21
CLAMP
09402-60502
Unavailable
