- Partiron
- OEM Parts
- Suzuki
- Motorcycle
- 1995
- GSX-R750W (1995)
AIR CLEANER
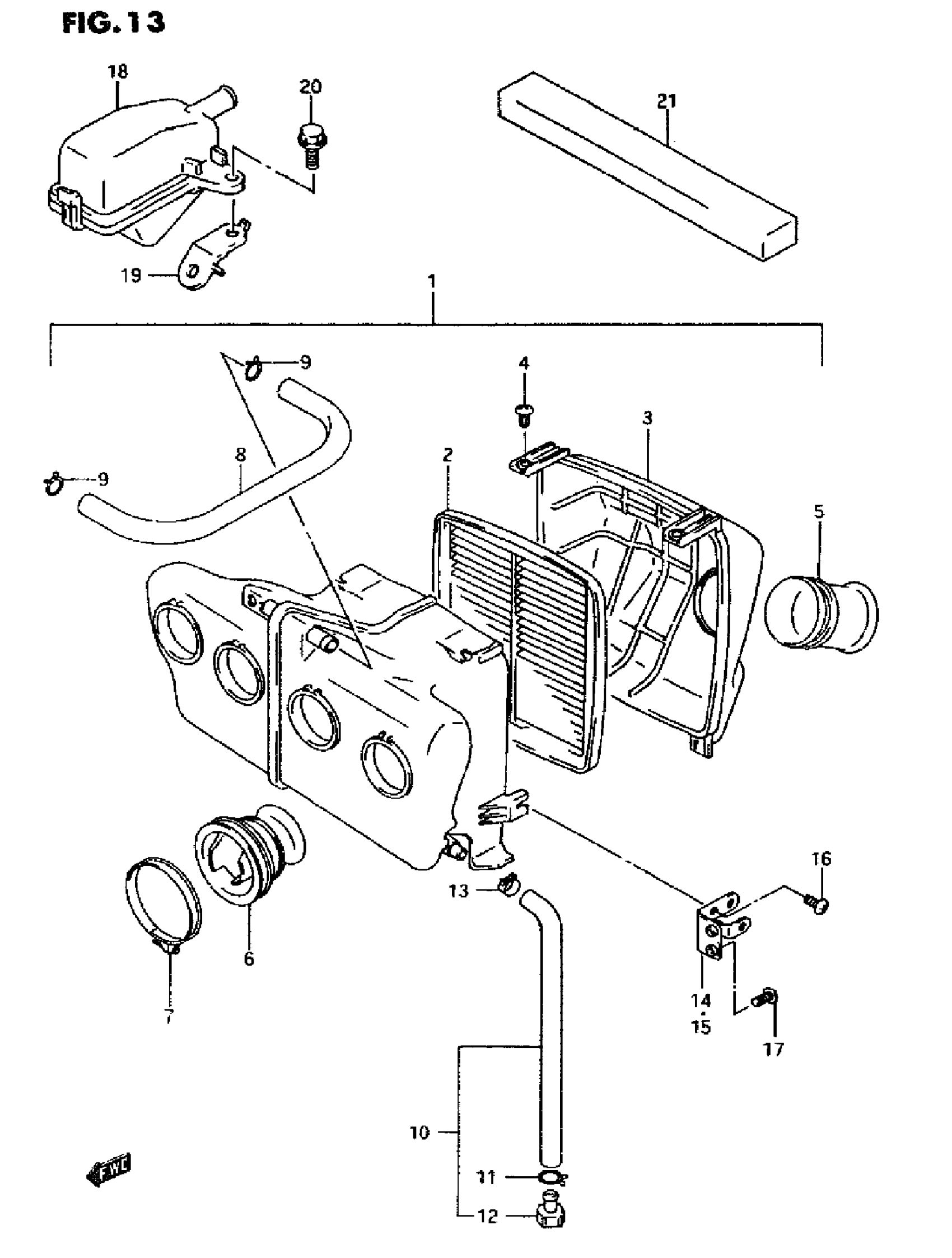
Suzuki GSX-R750W (1995) AIR CLEANER Diagram
#
Description
Price
1
NO DESCRIPTION AVAILABLE | MODEL P This part replaces 13700-17E00.
13700-17E02
Unavailable
1
NO DESCRIPTION AVAILABLE | MODEL R/S This part replaces 13700-17E01.
13700-17E02
Unavailable
1
NO DESCRIPTION AVAILABLE | MODEL P CALIFORNIA ONLY This part replaces 13700-17E10.
13700-17E12
Unavailable
1
NO DESCRIPTION AVAILABLE | MODEL R/S. CALIFORNIA ONLY This part replaces 13700-17E11.
13700-17E12
Unavailable
6
TUBE, OUTLET
13881-17E00
Unavailable
6
TUBE, OUTLET | CALIFORNIA ONLY
13881-17E10
Unavailable
8
TUBE, BREATHER This part replaces 13853-17E00.
13853-46E00
Unavailable
14
BRACKET, AIR CLEANER RH
13760-17E00
Unavailable
15
BRACKET, AIR CLEANER LH
13770-17E00
Unavailable
18
CLEANER ASSY, AIR NO.2
13800-17E00
Unavailable
19
BRACKET, AIR CLEANER NO.2
13750-17E00
Unavailable
21
CUSHION, AIR SEAL
13841-17E00
Unavailable
