- Partiron
- OEM Parts
- Suzuki
- Motorcycle
- 2026
- GSX-R750M6 (2026)
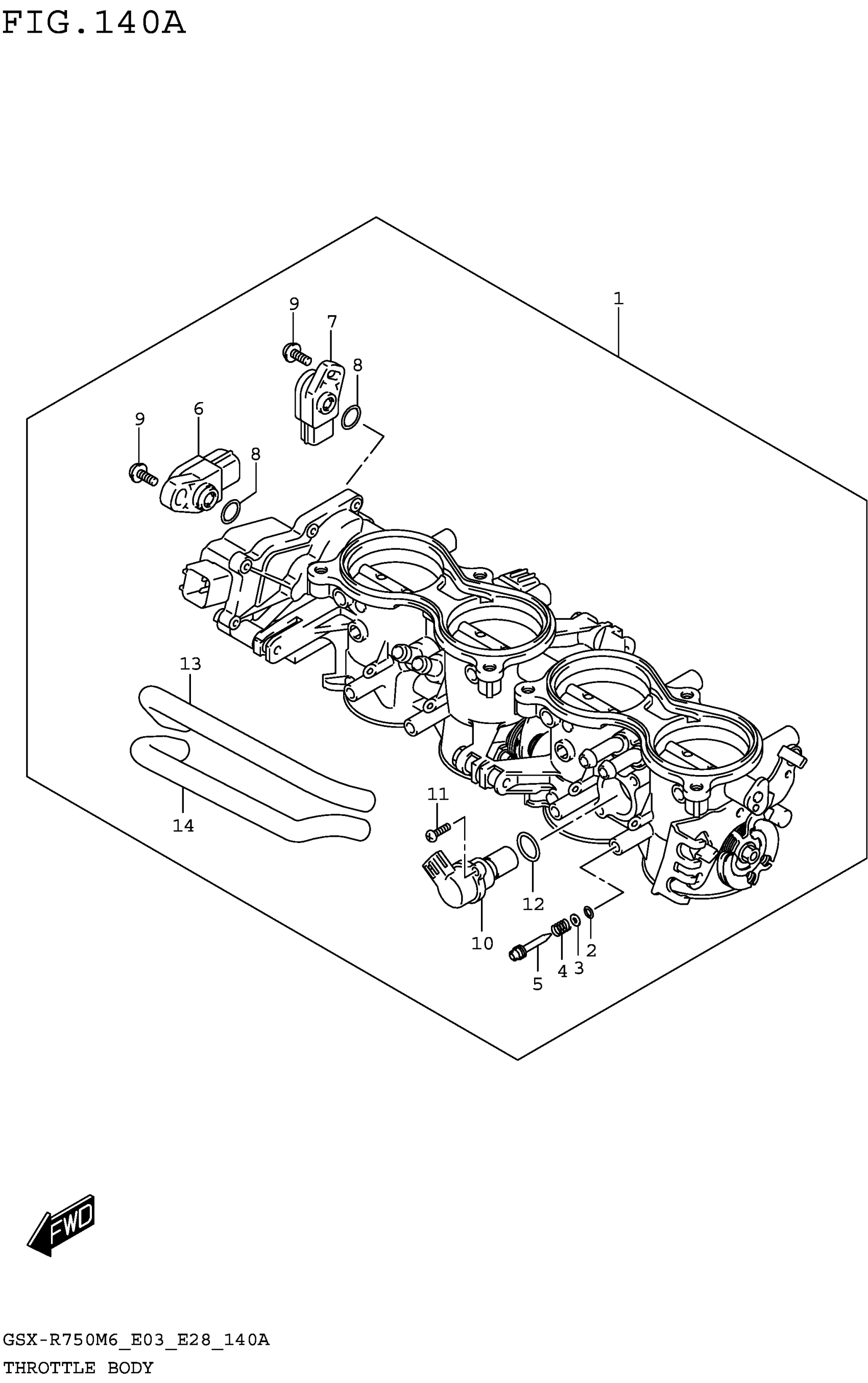
THROTTLE BODY (GSX-R750M6 E03)
Suzuki GSX-R750M6 (2026) THROTTLE BODY (GSX-R750M6 E03) Diagram
#
Description
Price
11
.SCREW
13605-37H00
Unavailable
