- Partiron
- OEM Parts
- Suzuki
- Motorcycle
- 2021
- GSX-R750M1 (2021)
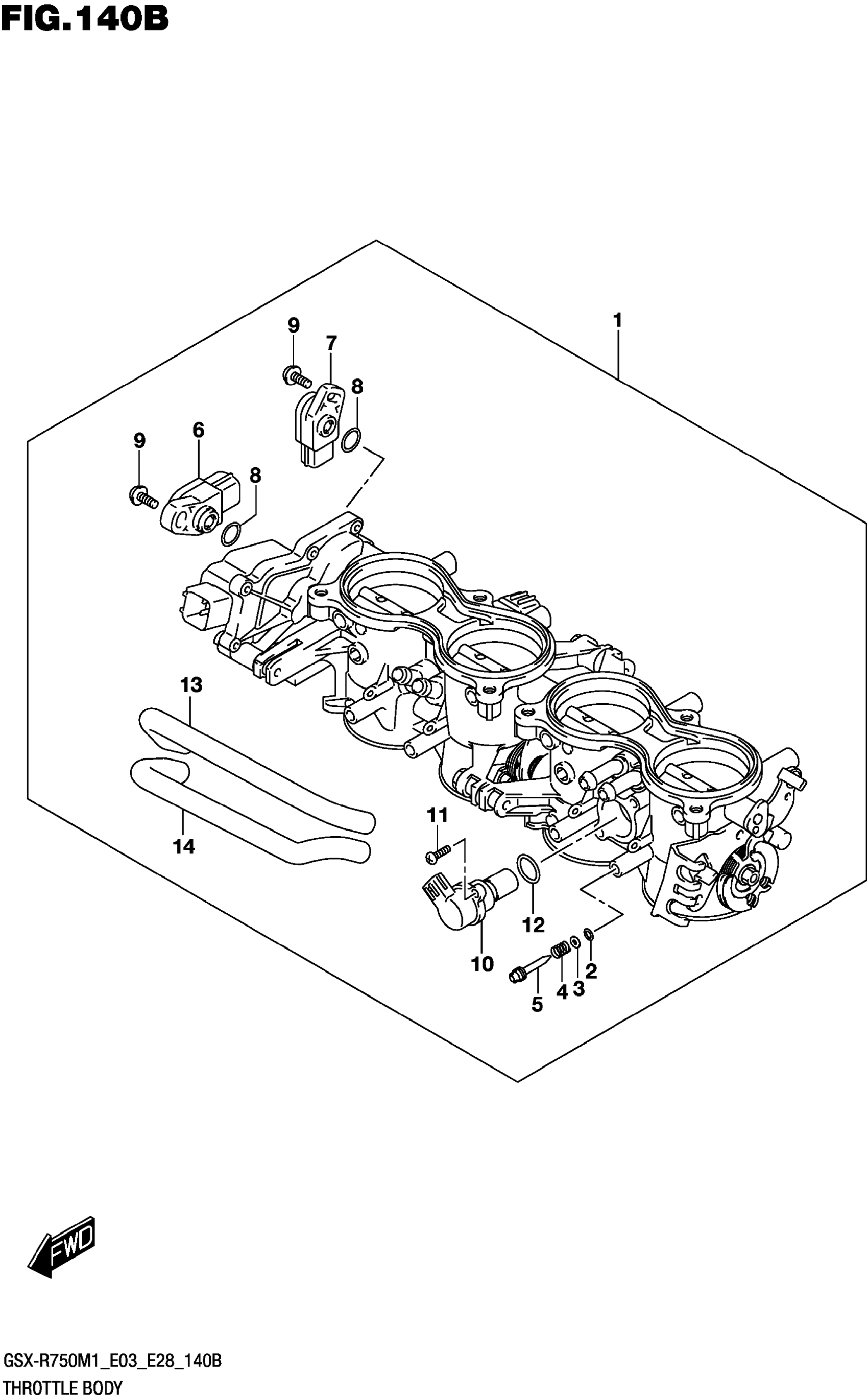
THROTTLE BODY (E33)
Suzuki GSX-R750M1 (2021) THROTTLE BODY (E33) Diagram
#
Description
Price
11
.SCREW
13605-37H00
Unavailable
THROTTLE BODY (E33)
#
11
13605-37H00
Unavailable
Edit ride
