- Partiron
- OEM Parts
- Suzuki
- Motorcycle
- 2021
- GSX-R750M1 (2021)
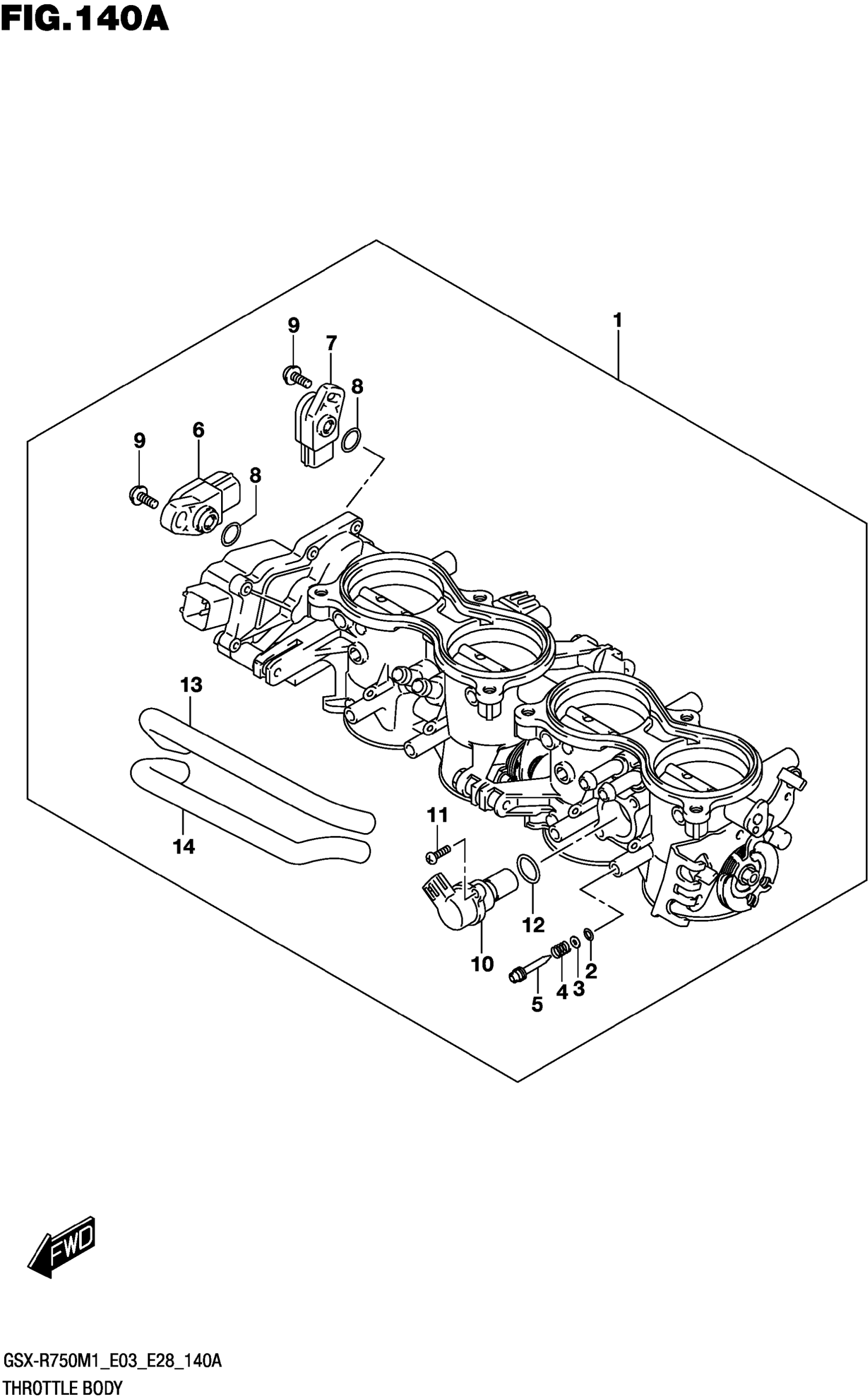
THROTTLE BODY ((E03,E28))
Suzuki GSX-R750M1 (2021) THROTTLE BODY ((E03,E28)) Diagram
#
Description
Price
11
.SCREW
13605-37H00
Unavailable
