- Partiron
- OEM Parts
- Suzuki
- Motorcycle
- 2017
- GSX-R750L7 (2017)
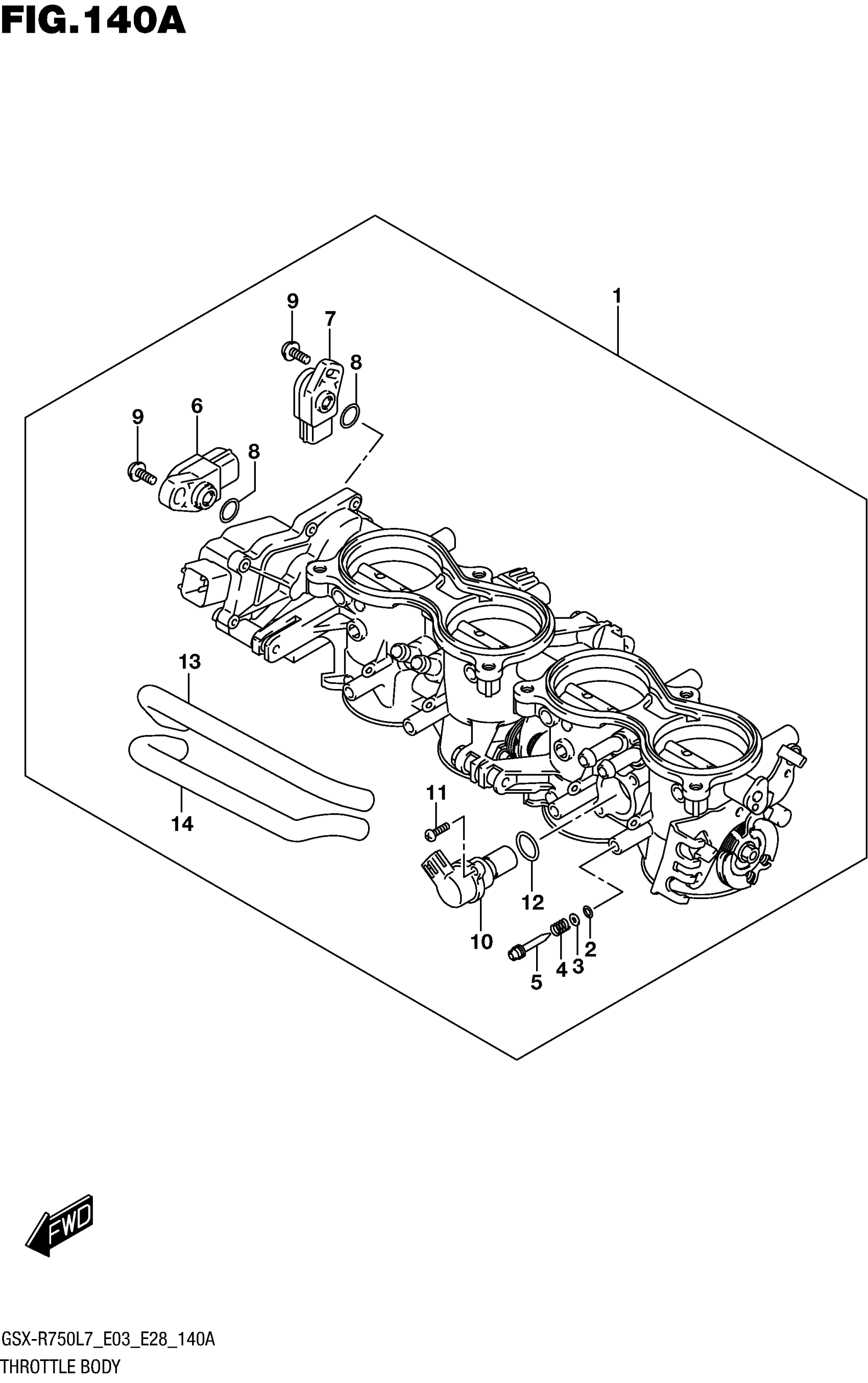
THROTTLE BODY (GSX-R750L7 E03)
Suzuki GSX-R750L7 (2017) THROTTLE BODY (GSX-R750L7 E03) Diagram
#
Description
Price
11
.SCREW
13605-37H00
Unavailable
