Partiron

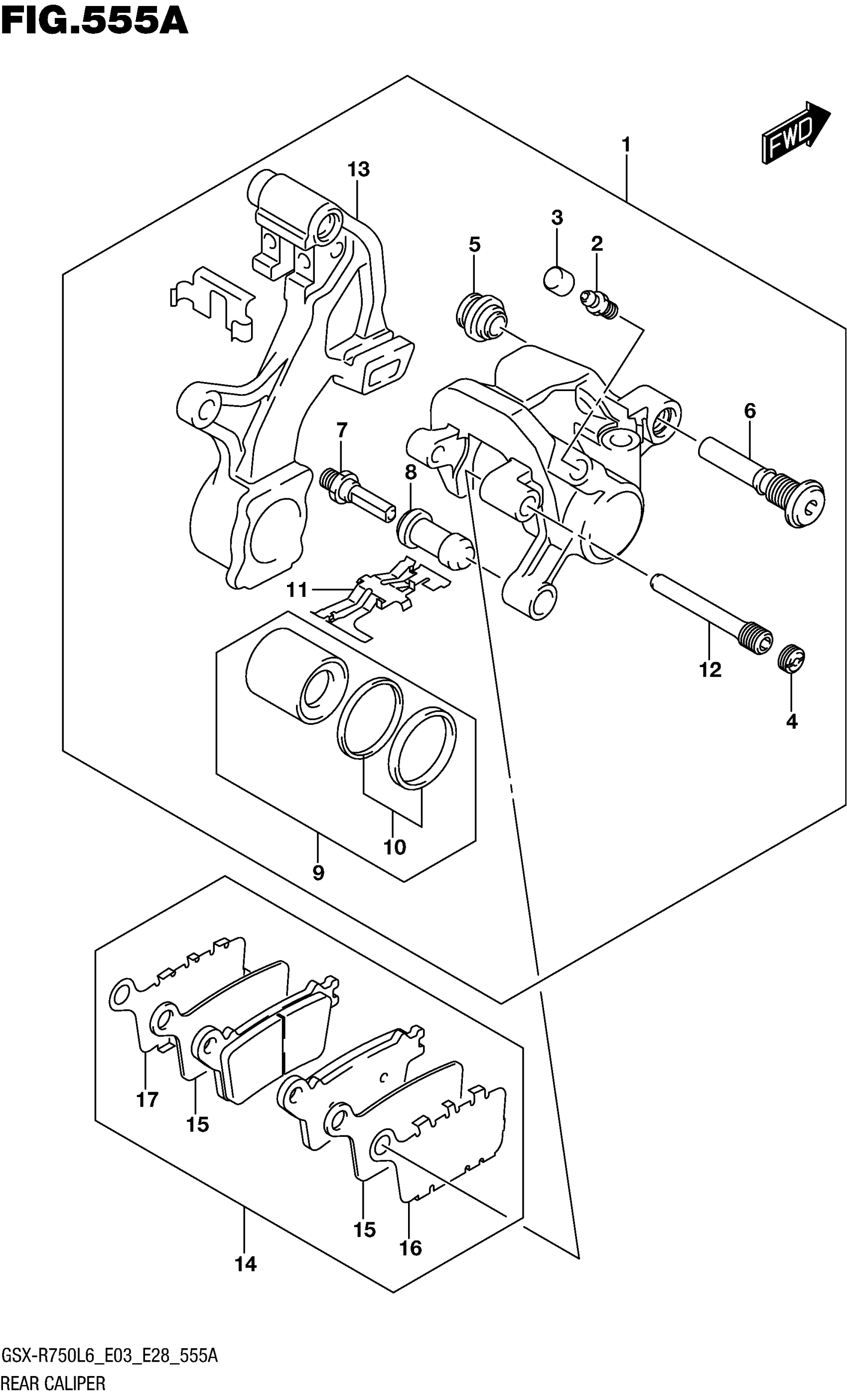
Suzuki GSX-R750L6 (2016) REAR CALIPER Diagram

#

Description
Price

1

CALIPER ASSY,RR

69100-47H10-999

$449.40

2

.BLEEDER

59121-01A00

$8.73

3

.CAP, BLEEDER

59122-46H00

$4.43

4

.PLUG, PIN

59146-21E10

$6.15

5

.BOOT

59303-14500

$5.52

6

.PIN, BOLT

59305-36E00

$18.20

7

.PIN

59382-14500

$8.95

8

.BOOT

59386-13A00

$7.95

9

.PISTON SET

69100-47810

$127.87

10

..SEAL SET, PISTON

69100-13810

$9.61

11

.SPRING, PAD

69115-47H00

$12.02

12

.PIN, PAD

69141-40F00

$29.48

13

.BRACKET,RR

69150-47H10

$105.82

14

PAD&SHIM SET

69100-47820

$51.22

15

.INSULATOR

69132-47H00

$15.42

16

.RETAINER, PAD

69133-47H00

$13.85

17

.RETAINER, PAD

69134-47H00

$13.85