- Partiron
- OEM Parts
- Suzuki
- Motorcycle
- 2013
- GSX-R750L3 (2013)
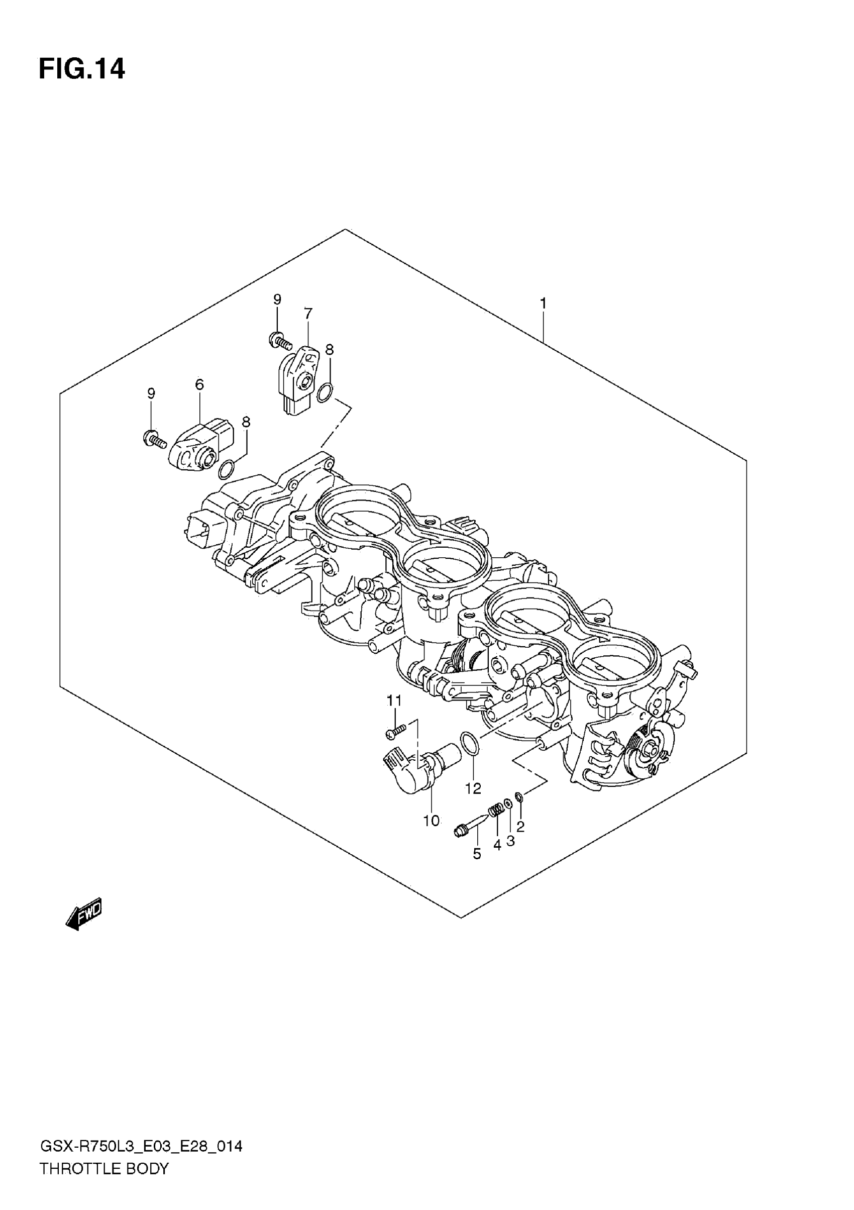
THROTTLE BODY (E33)
Suzuki GSX-R750L3 (2013) THROTTLE BODY (E33) Diagram
#
Description
Price
11
SCREW
13605-37H00
Unavailable
THROTTLE BODY (E33)
#
11
13605-37H00
Unavailable
Edit ride
