- Partiron
- OEM Parts
- Suzuki
- Motorcycle
- 2011
- GSX-R750L1 (2011)
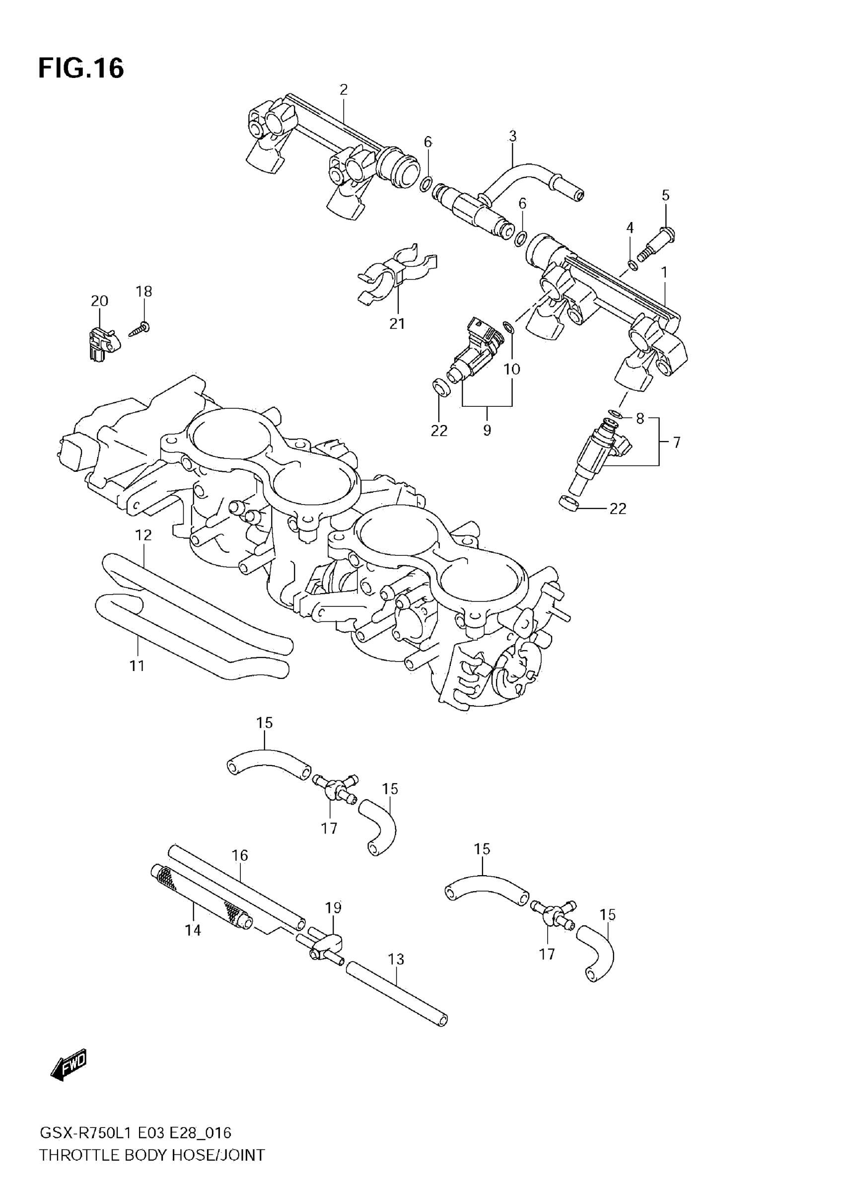
THROTTLE BODY HOSE/JOINT (E28)
Suzuki GSX-R750L1 (2011) THROTTLE BODY HOSE/JOINT (E28) Diagram
#
Description
Price
1
DELIVERY PIPE
13473-14J00
Unavailable
2
DELIVERY PIPE
13473-14J10
Unavailable
9
INJECTOR ASSY
15710-14J10
Unavailable
18
SCREW
13437-14J00
Unavailable
21
CLAMP
09408-00262
Unavailable
