Partiron

Suzuki GSX-R750L (1990) SIGNAL GENERATOR Diagram

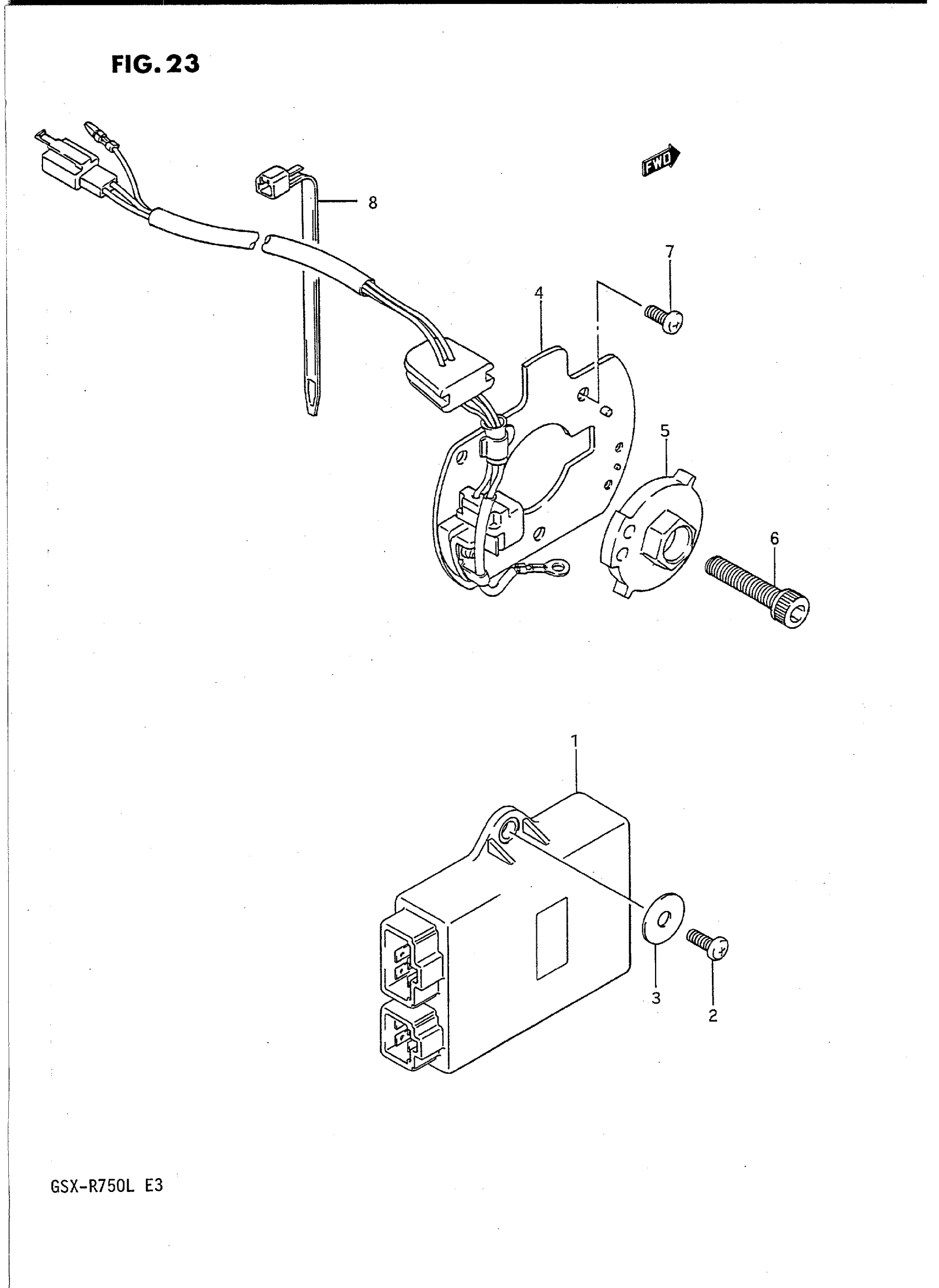
#

Description
Price

1

IGNITER UNIT | MODEL J/K This part replaces 32900-17C00.

32900-19C20

Unavailable

1

IGNITER UNIT | MODEL LOTHER THAN CALIFORNIA

32900-17D00

Unavailable

1

IGNITER UNIT | MODEL L,CALIFORNIA ONLY

32900-17D20

Unavailable

2

SCREW This part replaces 02112-06126.

02112-0612A

$1.49

3

.WASHER This part replaces 08322-21066.

08322-0106B

$2.26

4

SIGNAL GENERATOR ASSY

33110-17C00

$292.98

5

ROTOR, SIGNAL GENERATOR | OTHER THAN CALIFORNIA This part replaces 33120-19C00.

33120-19C20

$198.45

5

ROTOR, SIGNAL | MODEL L,CALIFORNIA ONLY

33120-48B20

Unavailable

6

BOLT, STEERING DAMPER This part replaces 07110-08306.

07130-0830A

$1.74

7

SCREW

02112-05107

$1.49

8

CLAMP

09407-14403

$2.26