- Partiron
- OEM Parts
- Suzuki
- Motorcycle
- 1990
- GSX-R750L (1990)
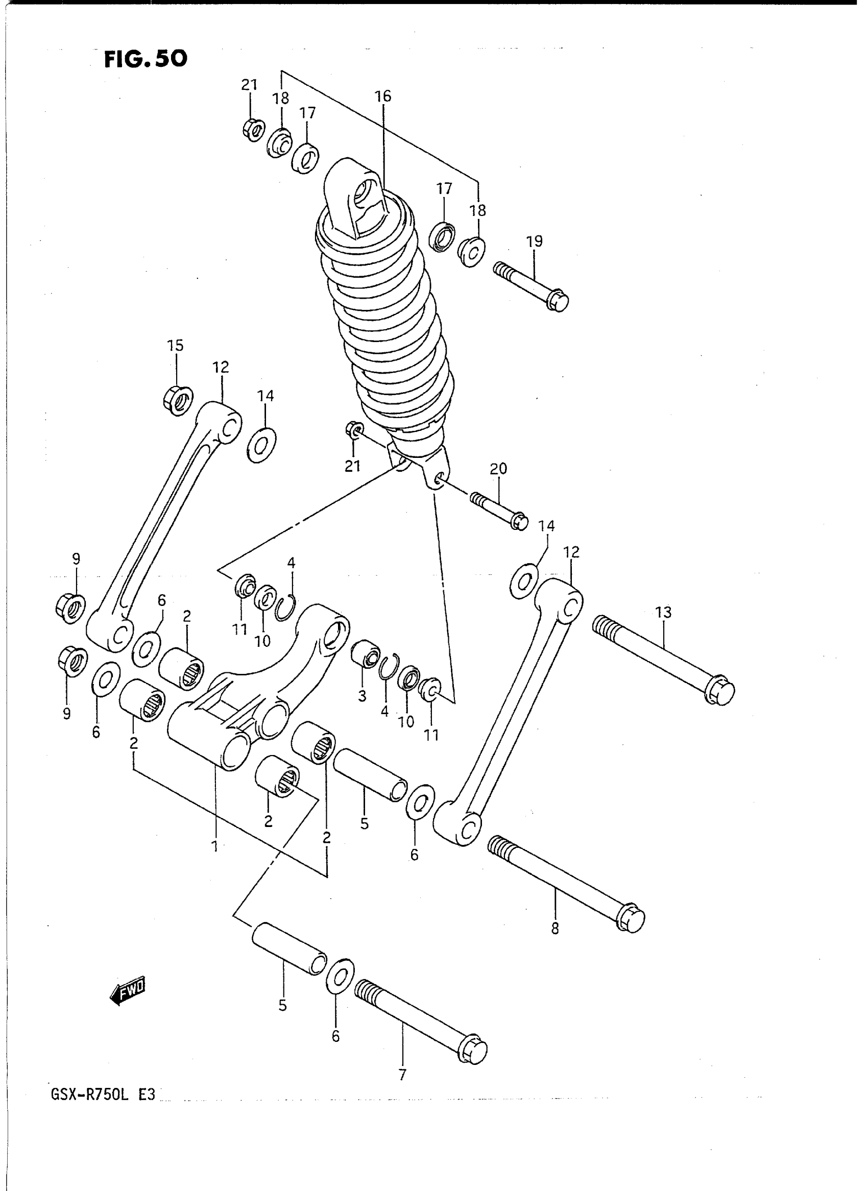
REAR CUSHION LEVER (MODEL J/K)
Suzuki GSX-R750L (1990) REAR CUSHION LEVER (MODEL J/K) Diagram
#
Description
Price
1
LEVER SET, REAR CUSHION | Includes Item(s) 2 - 4
62600-17830
Unavailable
5
SPACER
62317-17C00
Unavailable
8
SHAFT, CENTER
62658-17C00
Unavailable
12
ROD, REAR CUSHION
62641-17C00
Unavailable
13
SHAFT, UPPER
62658-17C00
Unavailable
16
ABSORBER ASSY, REAR SHOCK | MODEL J This part replaces 62100-17C01.
62100-17C20
Unavailable
16
ABSORBER ASSY, REAR SHOCK | MODEL K; Includes Item(s) 17 - 18
62100-17C20
Unavailable
19
BOLT, UPPER
62311-08300
Unavailable
