- Partiron
- OEM Parts
- Suzuki
- Motorcycle
- 1990
- GSX-R750L (1990)
HANDLEBAR (MODEL J/K)
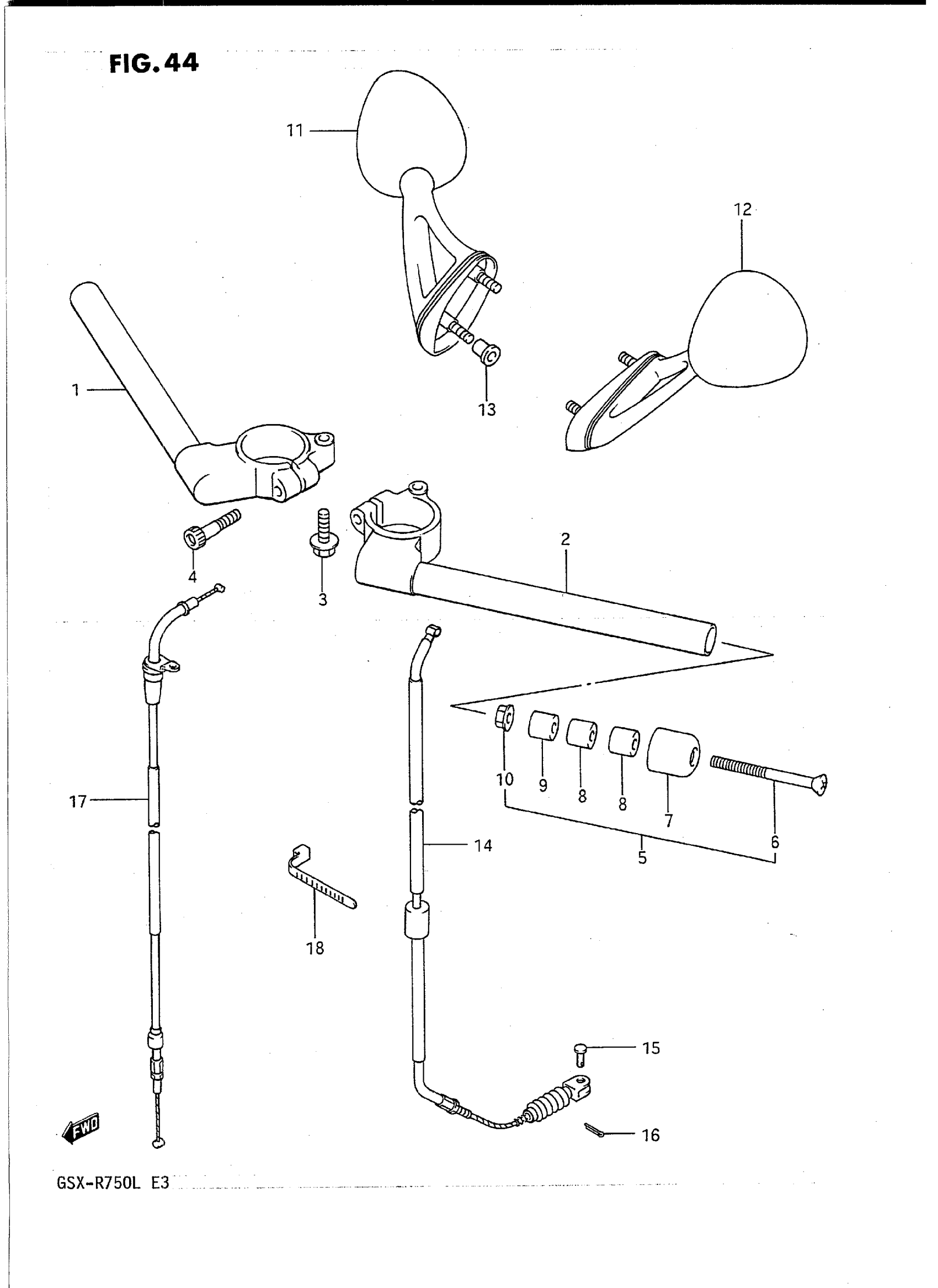
Suzuki GSX-R750L (1990) HANDLEBAR (MODEL J/K) Diagram
#
Description
Price
1
HANDLEBAR, RH
56111-17C00
Unavailable
2
HANDLEBAR, LH
56151-17C00
Unavailable
5
NO DESCRIPTION AVAILABLE | Includes Item(s) 6 - 10 This part replaces 56200-27841.
56200-27843
Unavailable
6
SCREW
09127-06014
Unavailable
7
CAP
56274-17C00
Unavailable
8
BALANCER
56271-43500
Unavailable
11
MIRROR ASSY, REAR VIEW RH
56500-17C02-291
Unavailable
12
MIRROR ASSY, REAR VIEW LH
56600-17C02-291
Unavailable
14
CABLE ASSY, CLUTCH
58200-17C01
Unavailable
15
PIN
09200-06011
Unavailable
17
CABLE ASSY, THROTTLE
58300-17C01
Unavailable
