- Partiron
- OEM Parts
- Suzuki
- Motorcycle
- 1990
- GSX-R750L (1990)
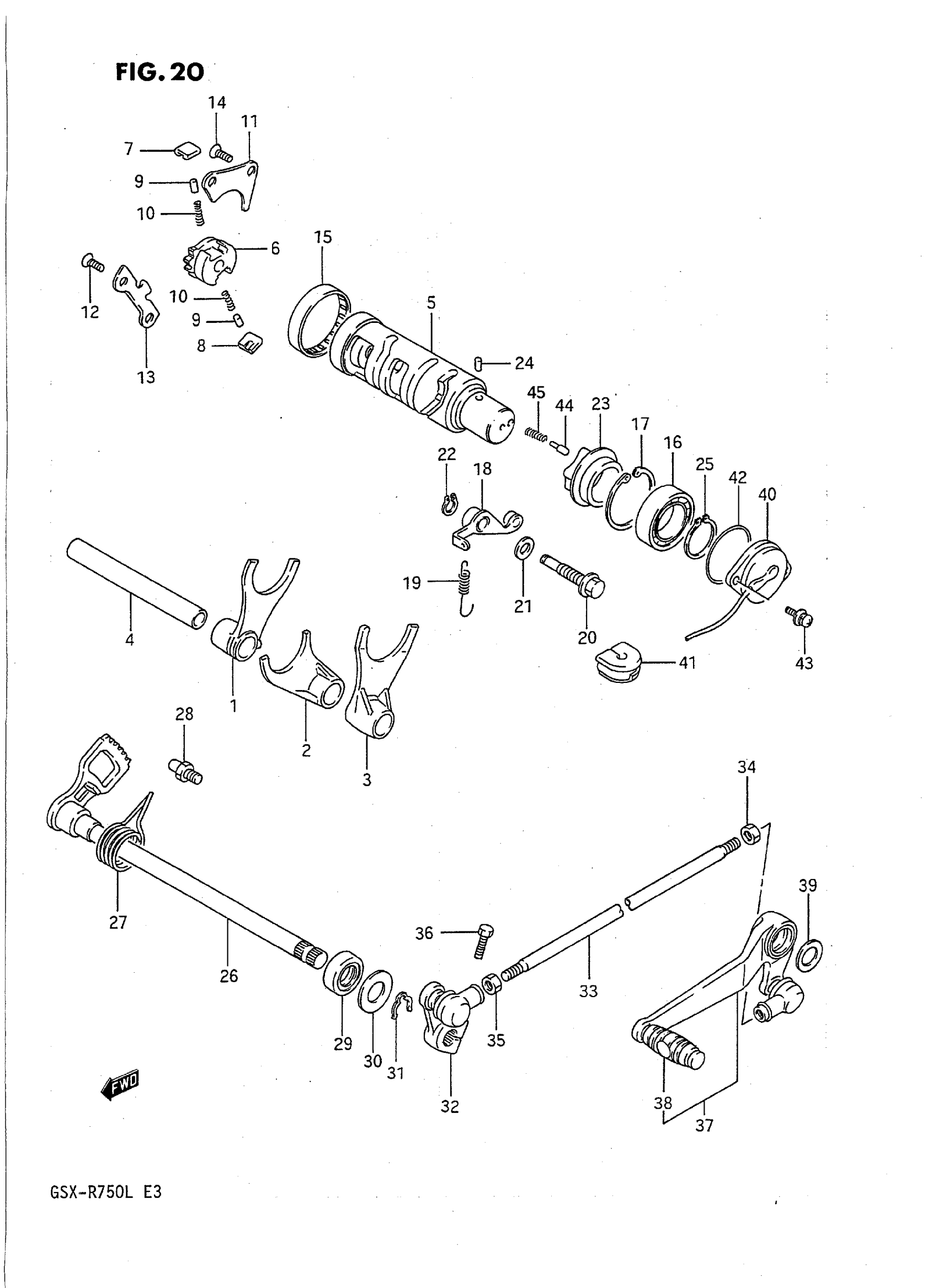
GEAR SHIFTING
Suzuki GSX-R750L (1990) GEAR SHIFTING Diagram
#
Description
Price
1
FORK, GEAR SHIFT NO.1 This part replaces 25211-27A00.
25211-27A12
Unavailable
2
FORK, GEAR SHIFTING NO.2
25221-27A01
Unavailable
3
FORK, GEAR SHIFTING NO.3
25231-27A00
Unavailable
5
CAM, GEAR SHIFT This part replaces 25310-27A02.
25310-27A03
Unavailable
13
GUIDE, CAM
25341-27A00
Unavailable
20
SHAFT, STOPPER
25353-27A00
Unavailable
23
PLATE, STOPPER
25381-38400
Unavailable
26
SHAFT, GEAR SHIFT This part replaces 25510-19C00.
25510-19C01
Unavailable
