Partiron

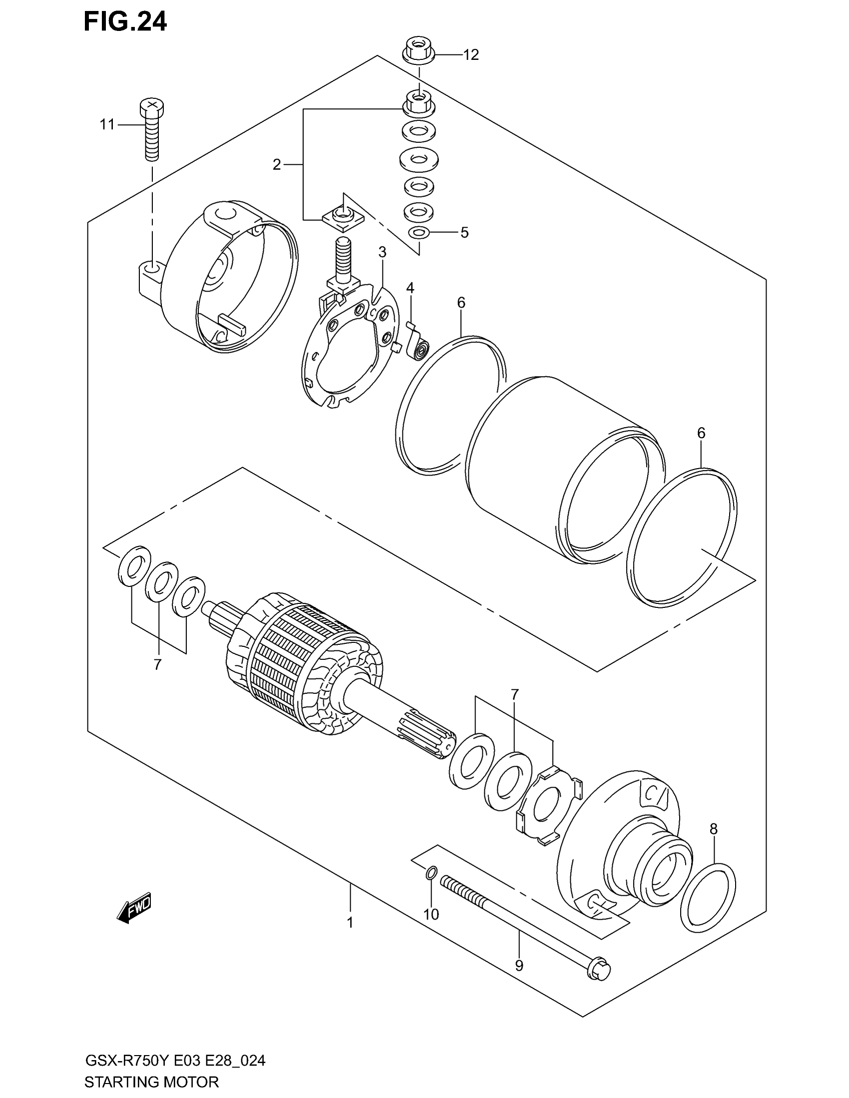
Suzuki GSX-R750 (2003) STARTING MOTOR Diagram

#

Description
Price

1

MOTOR ASSY,STAR | Includes Item(s) 2 - 10 This part replaces 31100-35F00.

31100-35F90

$601.23

2

BRUSH TERMINAL SET

31130-13E00

$44.18

3

BRUSH HOLDER SET

31132-33E00

$67.07

4

SPRING, BRUSH

31135-31300

$4.96

5

O RING

31143-49040

$3.71

6

O RING

31264-13E00

$6.68

7

WASHER SET

31170-19B10

$12.57

8

O RING (D:3.10,ID:24.4)

09280-25002

$1.99

9

BOLT

31280-13E00

$20.45

10

O RING

31156-13E00

$4.35

11

BOLT, STARTING MOTOR This part replaces 09128-06024.

09103-06212

$2.47

12

NUT This part replaces 08361-35068.

08361-3506A

$1.80