- Partiron
- OEM Parts
- Suzuki
- Motorcycle
- 2003
- GSX-R750 (2003)
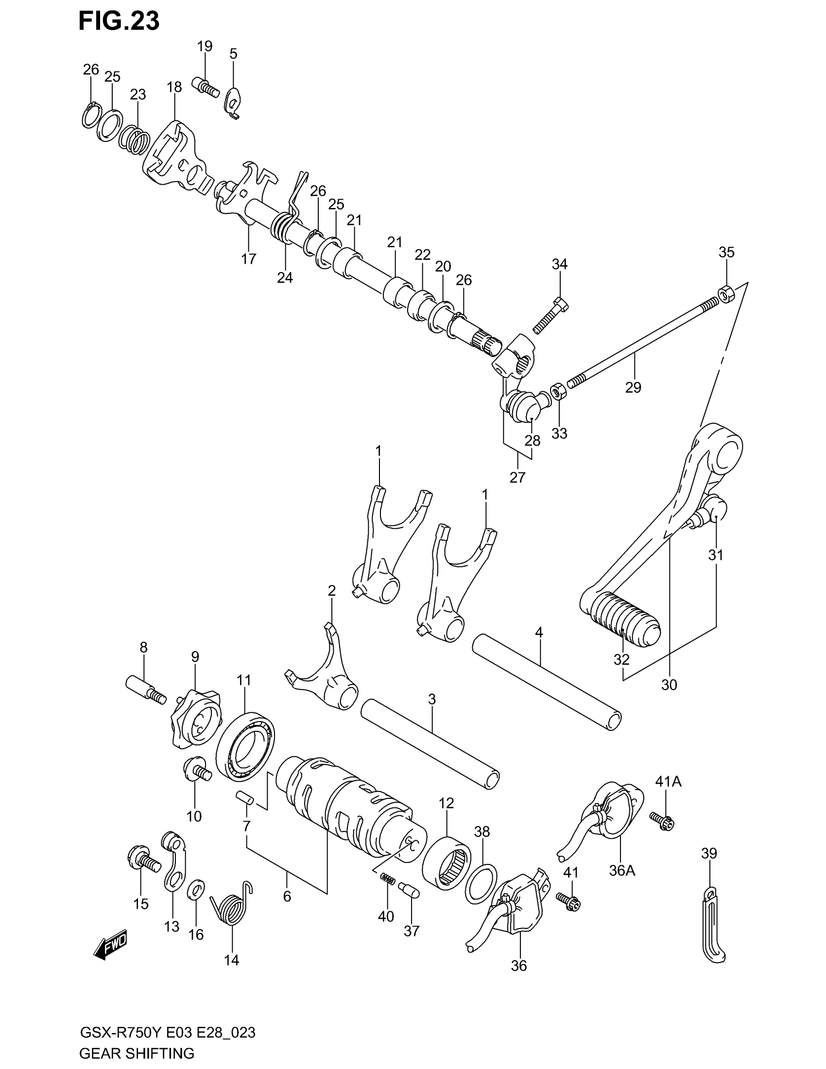
GEAR SHIFTING
Suzuki GSX-R750 (2003) GEAR SHIFTING Diagram
#
Description
Price
17
SHAFT, GEAR SHIFT | MODEL Y This part replaces 25510-35F00.
25510-35F01
Unavailable
17
SHAFT, GEAR SHSIFT | MODEL K1/K2/K3
25510-35F01
Unavailable
36
BASE ASSY, GEAR SHIFT TERM | MODEL Y
37730-35F00
Unavailable
