GSX-R750 (1986)
AIR CLEANER
ALTERNATOR
BATTERY
CAM CHAIN
CAM SHAFT-VALVE
CANISTER (CALIFORNIA ONLY)
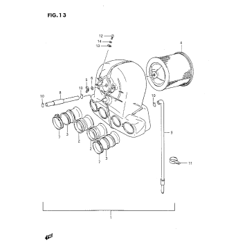
CARBURETOR
CLUTCH
CLUTCH HOSE
CLUTCH MASTER CYLINDER
COWLING (G)
COWLING (H)
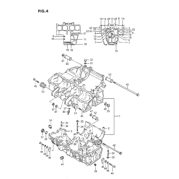
CRANK SHAFT
CRANKCASE
CRANKCASE COVER
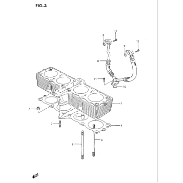
CYLINDER
CYLINDER HEAD
CYLINDER HEAD COVER
ELECTRICAL
FOOTREST
FRAME
FRAME COVER
FRONT BRAKE HOSE
FRONT CALIPERS
FRONT FENDER (G)
FRONT FENDER (H)
FRONT LH DAMPER
FRONT MASTER CYLINDER
FRONT RH DAMPER
FRONT WHEEL (G)
FRONT WHEEL (H)
FUEL COCK
FUEL TANK (G)
FUEL TANK (H)
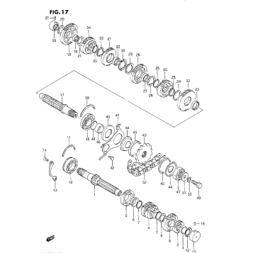
GEAR SHIFTING
HANDLE SWITCH
HANDLEBAR
HEADLAMP
MUFFLER
OIL COOLER
OIL PAN
OIL PUMP
OPTIONAL
REAR CALIPER
REAR CUSHION LEVER
REAR FENDER
REAR MASTER CYLINDER
REAR SHOCK ABSORBER
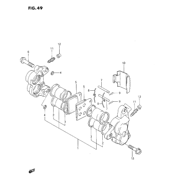
REAR SWINGING ARM
REAR WHEEL
SEAT (G)
SEAT (H)
SEAT TAIL COVER
SIGNAL GENERATOR
SPEEDOMETER
STAND
STARTER CLUTCH
STARTING MOTOR
STEERING STEM
TAIL LAMP-LICENSE LAW
TRANSMISSION
TURN SIGNAL LAW
WIRING HARNESS
Fuel Your Passion
Parts That Keep You Riding
Edit ride