- Partiron
- OEM Parts
- Suzuki
- Motorcycle
- 1993
- GSX-R600WP (1993)
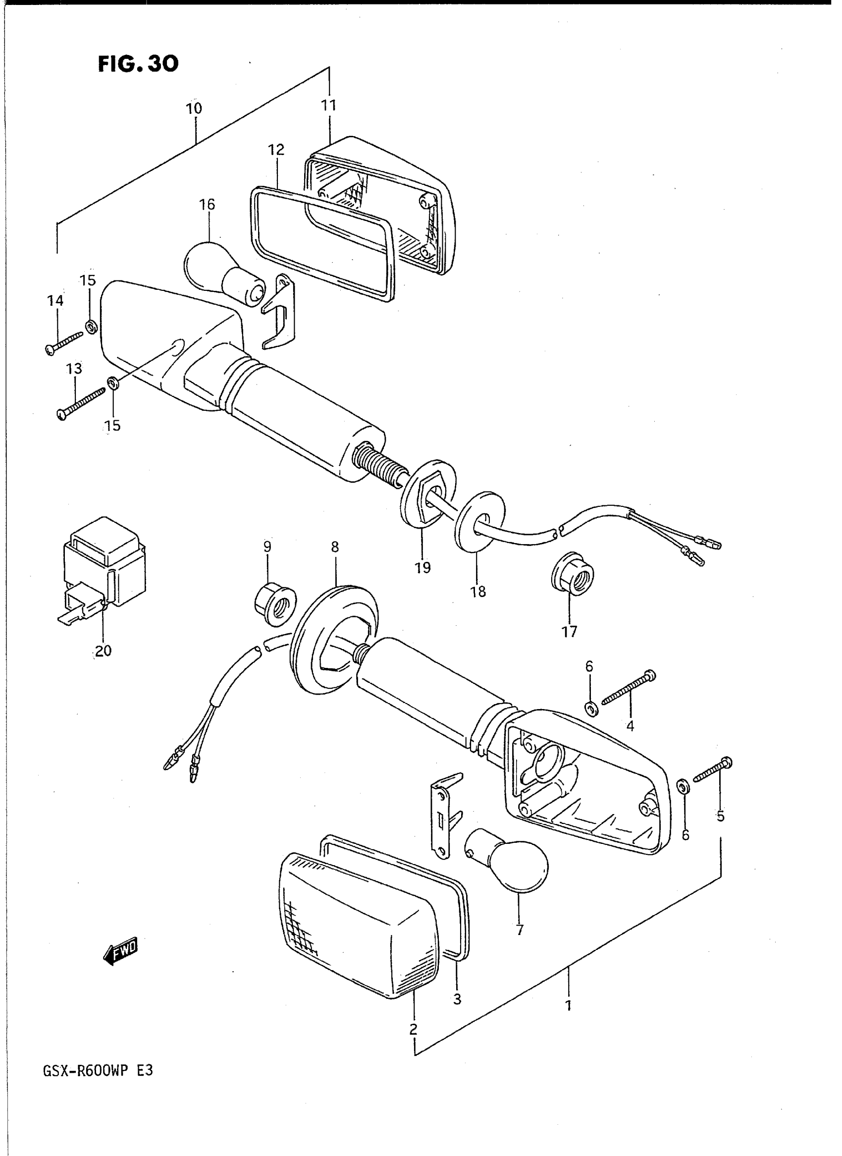
TURNSIGNAL LAMP
Suzuki GSX-R600WP (1993) TURNSIGNAL LAMP Diagram
#
Description
Price
1
LAMP ASSY, FRONT TURNSIGNAL | Includes Item(s) 2 - 7
35601-01D10
Unavailable
10
LAMP ASSY, REAR TURNSIGNAL | Includes Item(s) 11 - 16
35601-17C41
Unavailable
