- Partiron
- OEM Parts
- Suzuki
- Motorcycle
- 1993
- GSX-R600WP (1993)
HANDLEBAR
Suzuki GSX-R600WP (1993) HANDLEBAR Diagram
#
Description
Price
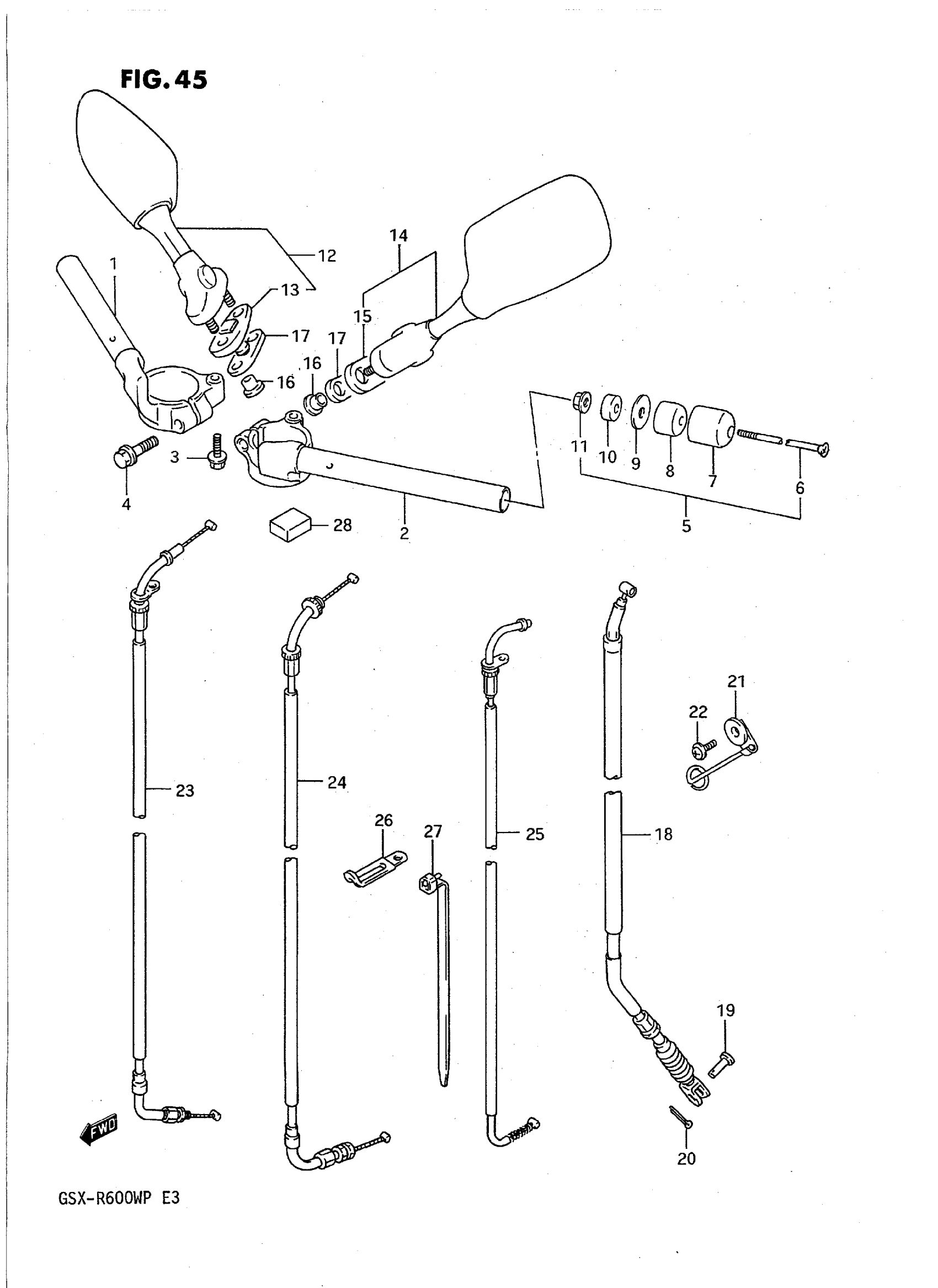
1
HANDLEBAR This part replaces 56111-17E00.
56111-17E02
Unavailable
2
NO DESCRIPTION AVAILABLE This part replaces 56151-17E00.
56151-17E03
Unavailable
5
BALANCER SET,HA | Includes Item(s) 6 - 11 This part replaces 56200-36810.
56200-12813
Unavailable
7
CAP This part replaces 56274-05350.
56274-31300
Unavailable
8
BALANCER
56271-49420
Unavailable
12
MIRROR ASSY, REAR VIEW RH | Includes Item(s) 13
56500-18D01-84N
Unavailable
13
CUSHION, MIRROR RH
56528-18D00
Unavailable
14
MIRROR ASSY, REAR VIEW LH | Includes Item(s) 15
56600-18D01-84N
Unavailable
15
CUSHION, MIRROR LH
56628-18D00
Unavailable
18
CABLE ASSY, CLUTCH
58200-17E00
Unavailable
19
PIN
09200-06011
Unavailable
21
GUIDE, CLUTCH CABLE
44480-12C01
Unavailable
23
CABLE ASSY, THROTTLE NO.1
58300-17E20
Unavailable
24
CABLE ASSY, THROTTLE NO.2
58300-17E30
Unavailable
25
CABLE, STARTER
58410-17E00
Unavailable
28
CUSHION This part replaces 47165-48B10.
47165-48B11
Unavailable
