- Partiron
- OEM Parts
- Suzuki
- Motorcycle
- 1993
- GSX-R600WP (1993)
HANDLE SWITCH
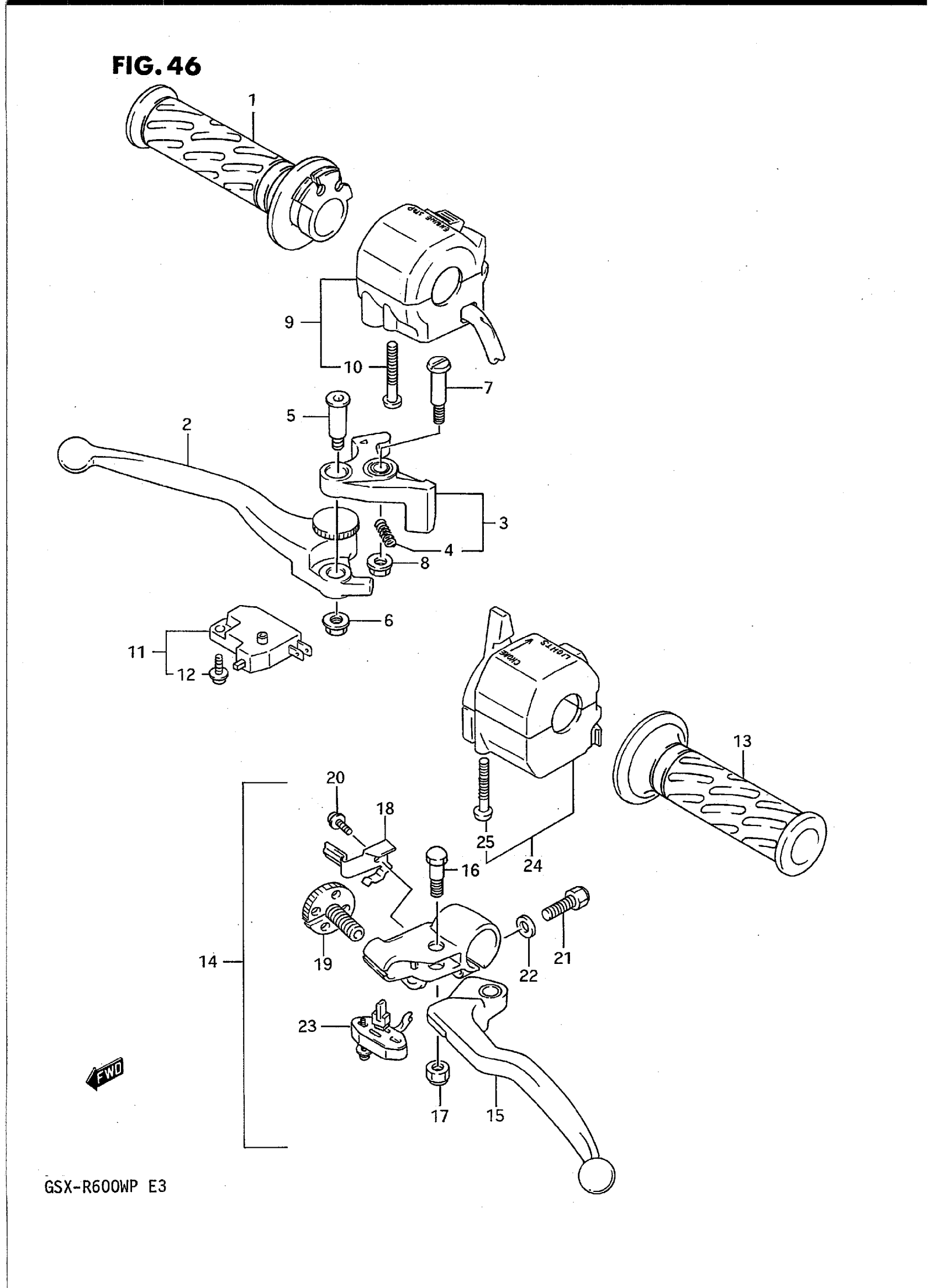
Suzuki GSX-R600WP (1993) HANDLE SWITCH Diagram
#
Description
Price
9
SWITCH ASSY,HAN | Includes Item(s) 10 This part replaces 37200-17E30.
37200-26E30
Unavailable
14
LEVER ASSY, CLUTCH | Includes Item(s) 15 - 23
57500-18D10
Unavailable
18
ADJUSTER, CABLE
57644-20A02
Unavailable
23
SWITCH ASSY, CLUTCH
57560-18D10
Unavailable
24
SWITCH ASSY, HANDLE LH | Includes Item(s) 25 This part replaces 37400-17E30.
37400-17E31
Unavailable
