Partiron

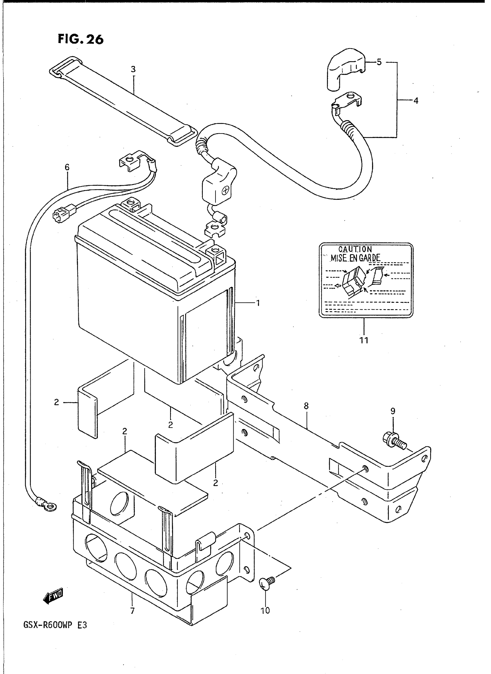
Suzuki GSX-R600WP (1993) BATTERY Diagram

#

Description
Price

1

BATTERY ASSY (12V,8AH) This part replaces 33610-10D00.

33610-33E20

Unavailable

2

CUSHION | CUT AS REQUIRED PROFILE(50X115)

33651-37000

$4.48

3

BAND

09462-00015

$11.10

4

LEAD WIRE | Includes Item(s) 5 This part replaces 33820-17E00.

33820-17E01

Unavailable

5

CAP, TERMINAL

33624-01D10

Unavailable

6

WIRE, BATTERY (-) This part replaces 33860-17E00.

33860-46E00

Unavailable

7

HOLDER, BATTERY This part replaces 41540-17E00.

41540-17E10

Unavailable

7

HOLDER, BATTERY | CALIFORNIA ONLY

41540-17E10

Unavailable

8

BRACKET

41560-17E00

Unavailable

9

BOLT This part replaces 01114-06168.

01550-06167

$2.30

10

SCREW

02142-06127

$1.49

11

PROTECTOR (90X45X28) This part replaces 33652-47D00.

33652-47D01

Unavailable

12

PLATE, BATTERY CAUTION

33690-17E00

Unavailable