- Partiron
- OEM Parts
- Suzuki
- Motorcycle
- 2023
- GSX-R600M3 (2023)
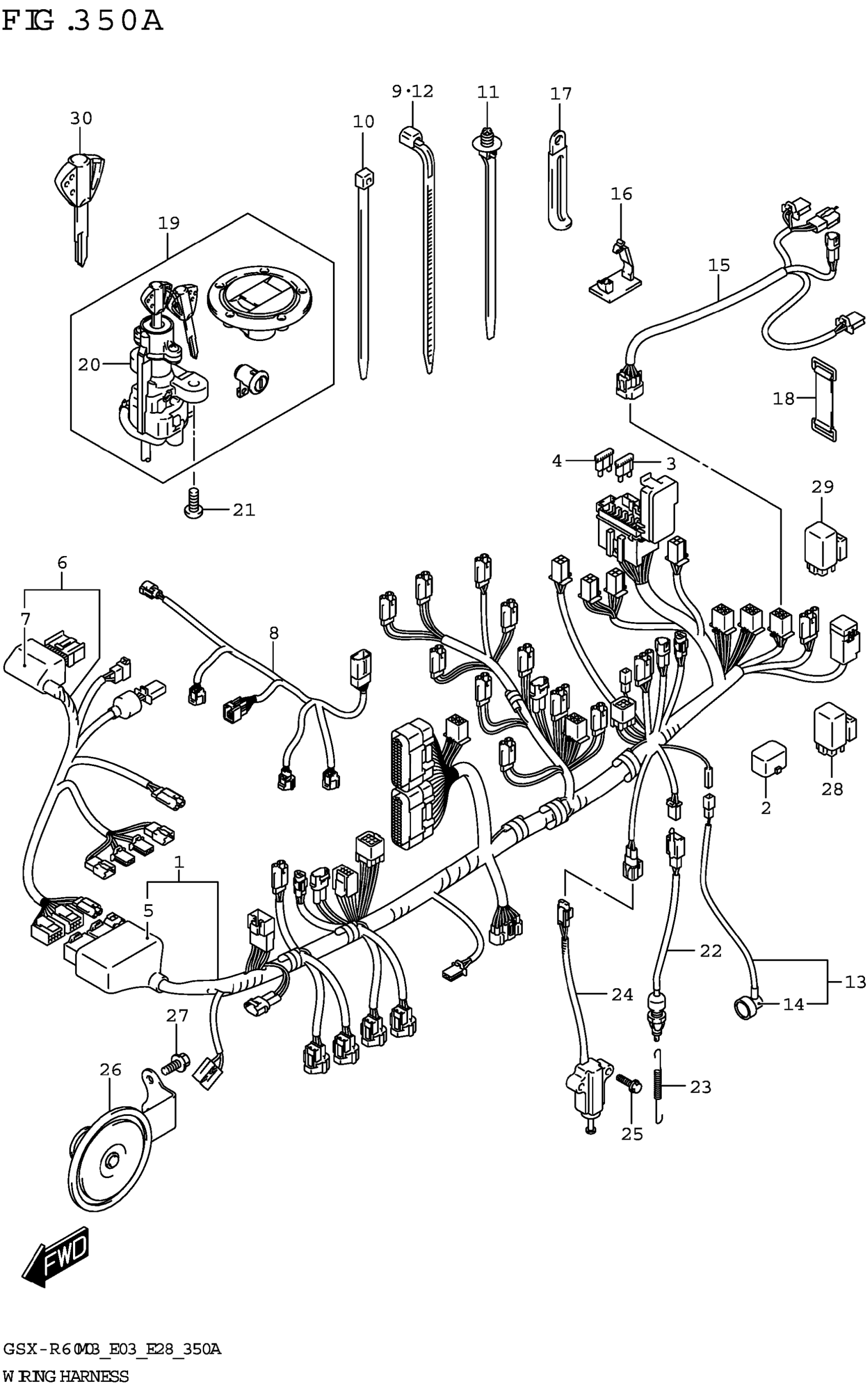
WIRING HARNESS (E03,E28)
Suzuki GSX-R600M3 (2023) WIRING HARNESS (E03,E28) Diagram
#
Description
Price
5
.COVER
36618-18G00
Unavailable
14
.CAP,OIL PRESSURE SWITCH
36618-31J00
Unavailable
