- Partiron
- OEM Parts
- Suzuki
- Motorcycle
- 2022
- GSX-R600M2 (2022)
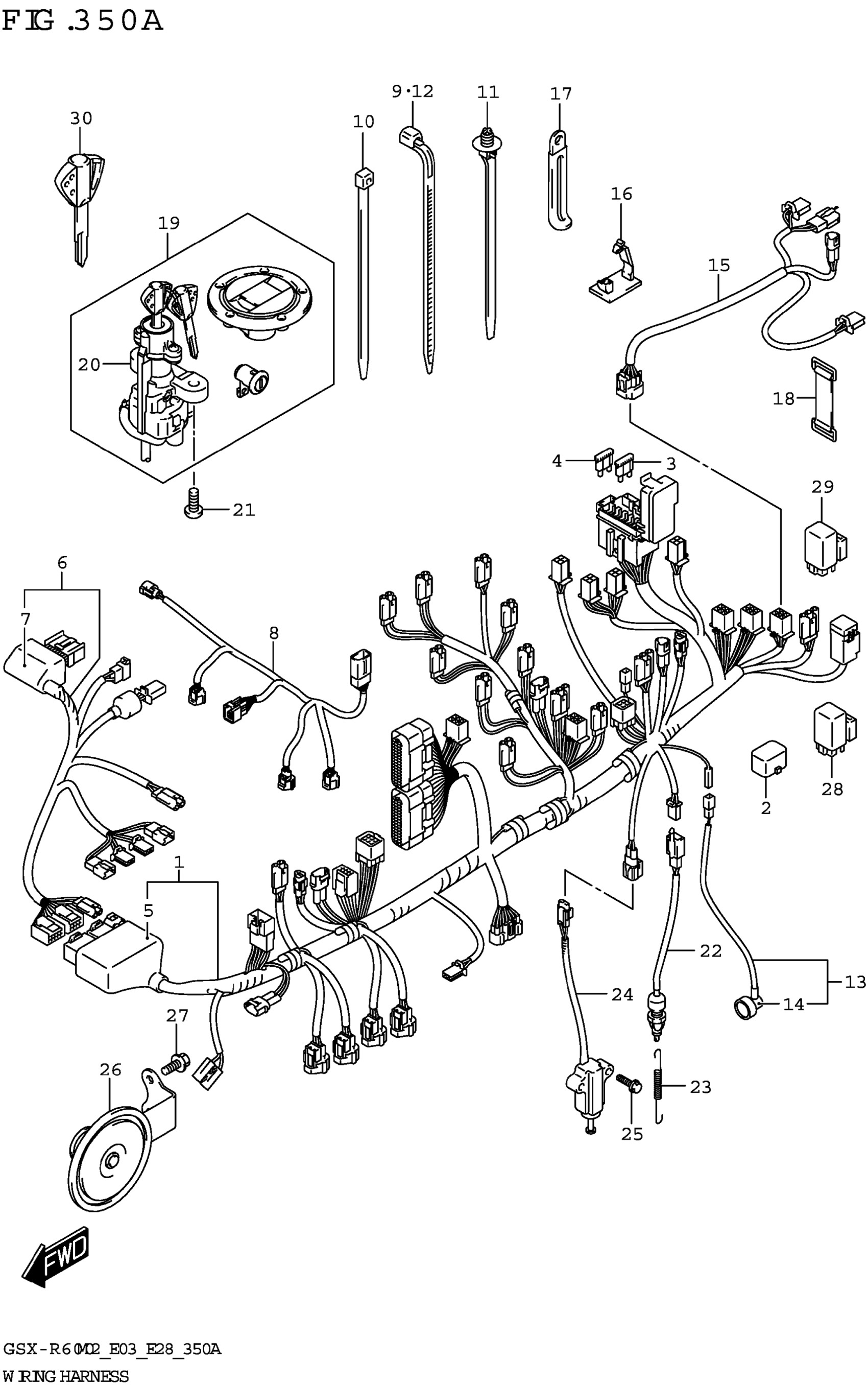
WIRING HARNESS (E03,E28)
Suzuki GSX-R600M2 (2022) WIRING HARNESS (E03,E28) Diagram
#
Description
Price
5
.COVER
36618-18G00
Unavailable
14
.CAP,OIL PRESSURE SWITCH
36618-31J00
Unavailable
