- Partiron
- OEM Parts
- Suzuki
- Motorcycle
- 2022
- GSX-R600M2 (2022)
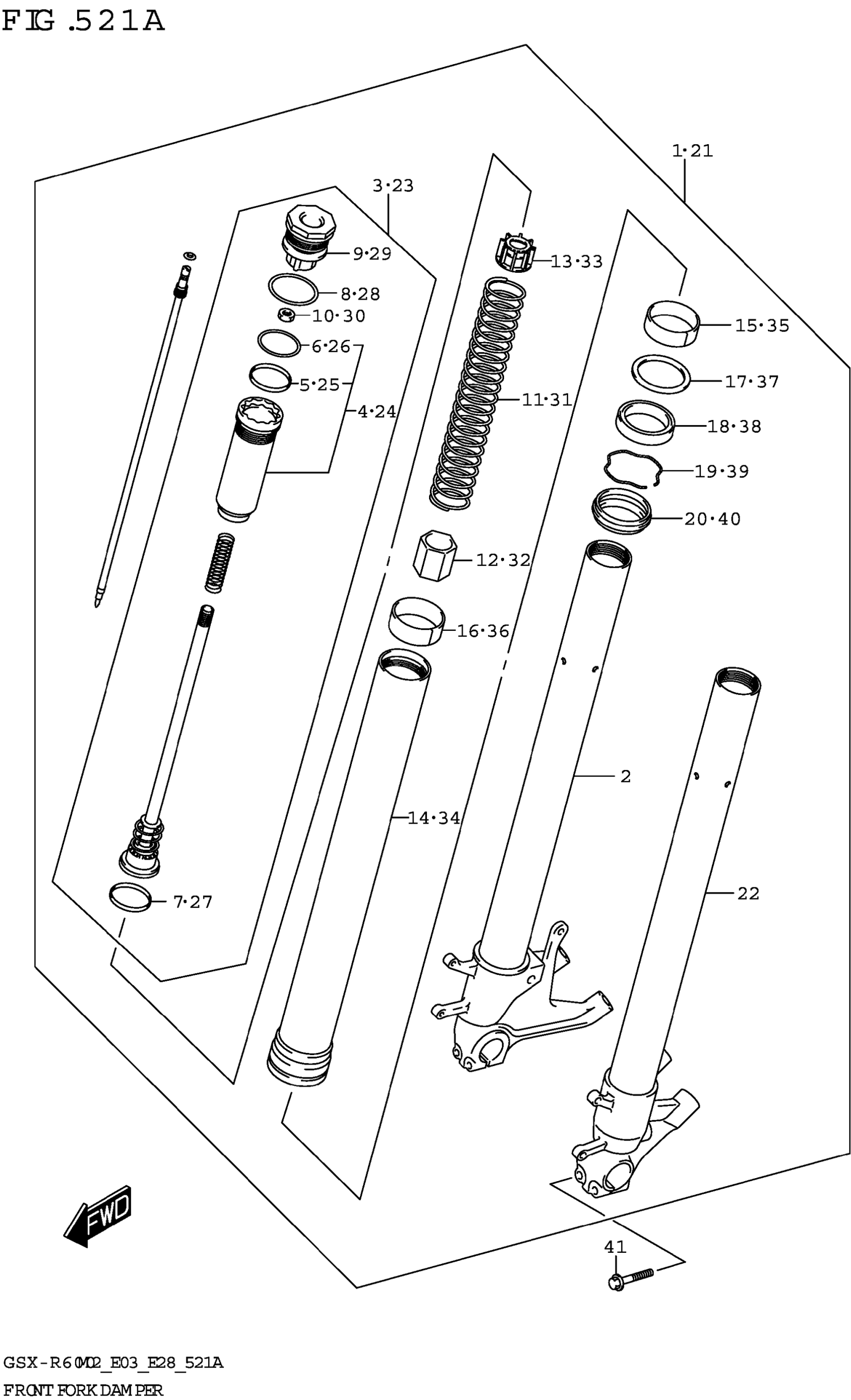
FRONT FORK DAMPER
Suzuki GSX-R600M2 (2022) FRONT FORK DAMPER Diagram
#
Description
Price
3
.ROD,PISTON
52110-14J00
Unavailable
10
..NUT
51827-29G00
Unavailable
11
.SPRING
51171-14J10
Unavailable
23
.ROD,PISTON
52110-14J00
Unavailable
30
..NUT
51827-29G00
Unavailable
31
.SPRING
51171-14J10
Unavailable
