Partiron

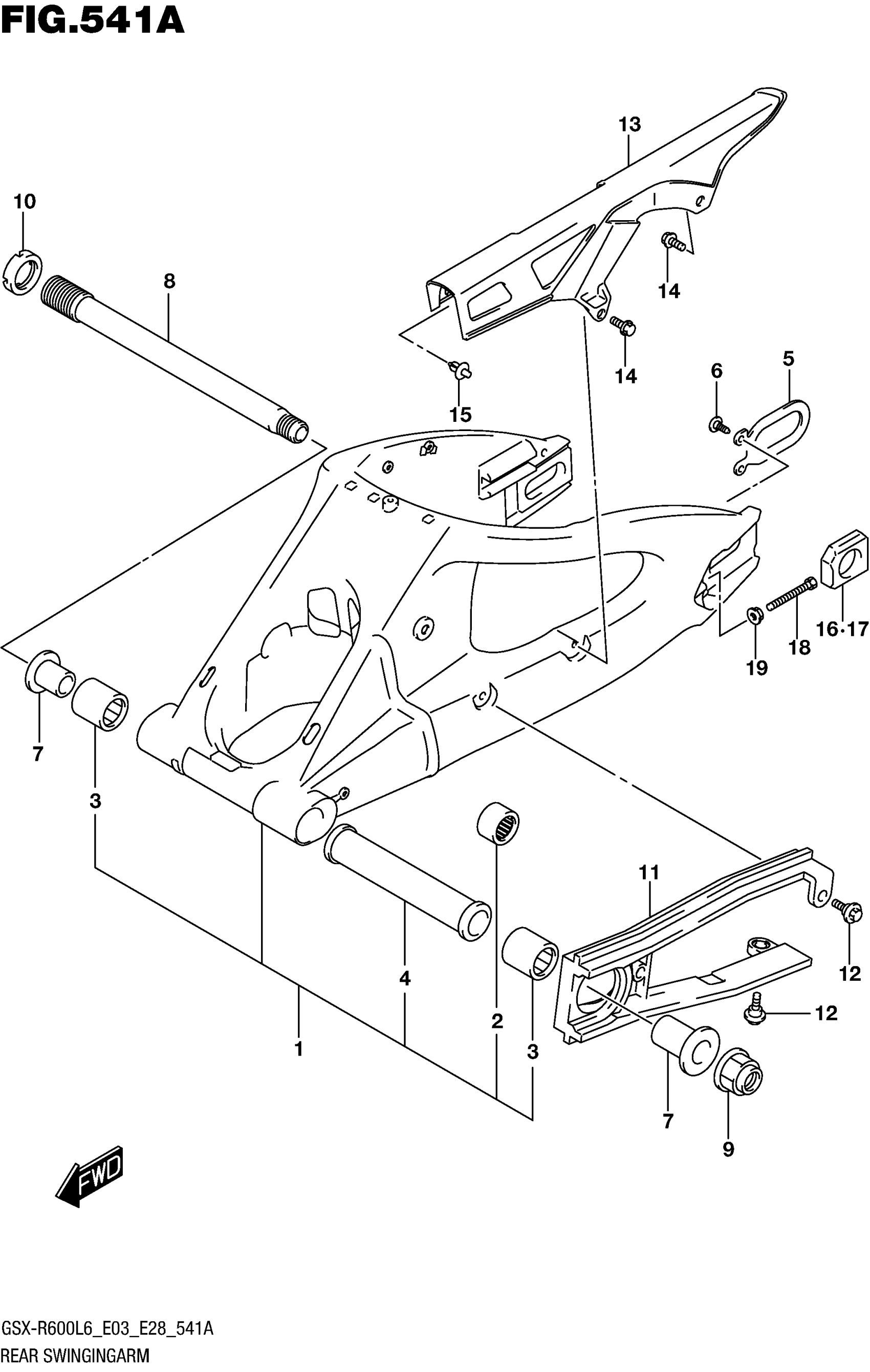
Suzuki GSX-R600L6 (2016) REAR SWINGINGARM Diagram

#

Description
Price

1

SWINGINGARM ASSY,RR (BLACK) This part replaces 61000-14J00-YAP.

61000-14J01-YAP

$2,706.48

1

SWINGINGARM ASSY,RR (BLACK) This part replaces 61000-14J00-YAP.

61000-14J01-YAP

$2,706.48

2

.BEARING (20X27X30)

09263-20070

$37.72

3

.BEARING (27X35X35) This part replaces 09263-27013.

09263-27015

$27.55

4

.SPACER, CENTER

61281-41G00

$55.68

5

PLATE,RR SWGARM BRKT

61124-14J00

$7.11

6

SCREW (6X12)

09125-06060

$1.78

7

SPACER, BEARING

61251-41G00

$38.37

8

SHAFT,RR SWINGINGARM PIVOT

61211-01H00

$171.00

9

NUT

09159-20006

$27.12

10

NUT, PIVOT

61214-42E10

$42.53

11

BUFFER,CHAIN TOUCH DEFENSE This part replaces 61273-14J00.

61273-14J01

$60.25

12

BOLT (6X17.8)

09111-06072

$2.03

13

CASE,CHAIN

61311-14J00

$44.50

14

BOLT (6X12)

09111-06107

$2.60

15

CLIP (BLACK)

09409-08308-5ES

$1.97

16

ADJUSTER,CHAIN

61445-44G20

$44.02

17

ADJUSTER,CHAIN

61446-44G20

$48.15

18

BOLT (8X50)

09100-08287

$3.10

19

NUT

08316-1008A

$2.45